亚洲成人国产I亚洲丝袜中文I黄色网大全I天天操天天射天天添I午夜av影院I成年一级片

Products

current position:home page>Products>optical instrument>Ophir>

L50(300)A-BB-65 P/N7Z07127 Laser Measurement Sensor

Updated:2025-03-13

Views:1749

  • Brand: Ophir
  • Model: L50(300)A-BB-65
  • Description: The L50(300)A-BB-65 is a general purpose thermal power/energy laser measurement sensor with a 65mm aperture. It can measure from 400mW to 50W continuously and to 300W intermittently. It can measure en
  • Feedback
  • WeChat

    QQ

    Online Service

Product Details

L50(300)A-BB-65 P/N7Z07127 Laser Measurement Sensor Introduction:

The L50(300)A-BB-65 is a general purpose thermal power/energy laser measurement sensor with a 65mm aperture. It can measure from 400mW to 50W continuously and to 300W intermittently. It can measure energy from 200mJ to 300J. It has the spectrally flat broadband coating and covers the spectral range from 0.19 to 11μm. The sensor comes with a standard 1.5 meter cable for connecting to a meter or PC interface.

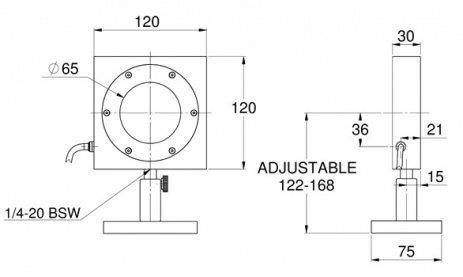
L50(300)A-BB-65 P/N7Z07127 Laser Measurement Sensor Drawing:

L50(300)A-BB-65 Drawing

L50(300)A-BB-65 P/N7Z07127 Laser Measurement Sensor Specification:

Absorber Type Broadband
Aperture ?65mm
Spectral Range 0.19-11μm
Power Range 400mW-300W
Energy Range 200mJ-300J
Dimensions 120 L x 120 W x 30 D (mm)
Max Pulse Energy 300J
Max Average Power Density 9.5kW/cm2
Response Time 3 s
Max Energy Density (for <100ns) 0.3J/cm2
Max Energy Density (for 2ms) 10J/cm2
Max Average Power 300W

WeChat

Customer Service QQ

Customer Hotline:

0l0-52867771
l3811111452
l7896OO5796

Technical Supports

l7896OO5796
info@dorgean.com