亚洲成人国产I亚洲丝袜中文I黄色网大全I天天操天天射天天添I午夜av影院I成年一级片

產品中心

Products

當前位置:首頁>產品中心>光學儀器>以色列Ophir>

L50(300)A-BB-65 P/N7Z07127 激光測量傳感器

更新時間:2025-03-13

瀏覽量:1748

  • 品牌:Ophir
  • 型號:L50(300)A-BB-65
  • 描述:L50(300)A-BB-65是一款通用型熱功率/能量激光測量傳感器,具有65mm孔徑。可連續測量的功率范圍為400mW - 50W,可斷續測量的功率范圍為400mW - 300W。其能量測量范圍為2...
  • 在線訂購
  • 微信咨詢

    QQ咨詢

    在線客服

產品介紹

L50(300)A-BB-65 P/N7Z07127 激光測量傳感器概述:

L50(300)A-BB-65是一款通用型熱功率/能量激光測量傳感器,具有65mm孔徑。可連續測量的功率范圍為400mW - 50W,可斷續測量的功率范圍為400mW - 300W。其能量測量范圍為200mJ - 300J。其具有頻譜平坦的寬帶涂層,頻譜覆蓋范圍為0.19~11μm。該傳感器配備一根標準1.5米電纜,用于連接至一個表頭或PC接口。

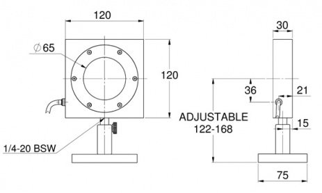
L50(300)A-BB-65 P/N7Z07127 激光測量傳感器圖紙:

L50(300)A-BB-65 圖紙

L50(300)A-BB-65 P/N7Z07127 激光測量傳感器規格:

吸收器類型 寬帶
光圈 ?65mm
光譜范圍 0.19-11μm
功率范圍 400mW-300W
能量范圍 200mJ-300J
尺寸 120 L x 120 W x 30 D (mm)
最大脈沖能量 300J
最大平均功率密度 9.5kW/cm2
響應時間 3 s
最大能量密度 (<100ns) 0.3J/cm2
最大能量密度 (2ms) 10J/cm2
最大平均功率 300W

咨詢微信客服

咨詢微信客服

QQ在線客服

客服熱線:

0I0-52867771
I3811111452
I7896005796

技術支持

I7896005796
收起

掃一掃,關注官方賬號

掃一掃,關注官方賬號

010-52867771

在線客服