亚洲成人国产I亚洲丝袜中文I黄色网大全I天天操天天射天天添I午夜av影院I成年一级片

Products

current position:home page>Products>optical instrument>Ophir>

L50(250)A-BB-50 P/N7Z07109 Laser Measurement Sensor

Updated:2025-03-13

Views:2059

  • Brand: Ophir
  • Model: L50(250)A-BB-50
  • Description: The L50(250)A-BB-50 is a general purpose thermal power/energy laser measurement sensor with a 50mm aperture. It can measure from 300mW to 50W continuously and to 250W intermittently. It can measure en
  • Feedback
  • WeChat

    QQ

    Online Service

Product Details

L50(250)A-BB-50 P/N7Z07109 Laser Measurement Sensor Introduction:

The L50(250)A-BB-50 is a general purpose thermal power/energy laser measurement sensor with a 50mm aperture. It can measure from 300mW to 50W continuously and to 250W intermittently. It can measure energy from 100mJ to 4000J. It has the spectrally flat broadband coating and covers the spectral range from 0.19 to 11μm. The sensor comes with a standard 1.5 meter cable for connecting to a meter or PC interface.

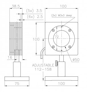
L50(250)A-BB-50 P/N7Z07109 Laser Measurement Sensor Drawing:

L50(250)A-BB-50 Drawing

L50(250)A-BB-50 P/N7Z07109 Laser Measurement Sensor Specification:

Absorber Type Broadband
Aperture ?50mm
Spectral Range 0.19-11μm
Power Range 300mW-250W
Energy Range 100mJ-4000J
Dimensions 100 L x 100 W x 39 D (mm)
Max Pulse Energy 4000J
Max Average Power Density 10kW/cm2
Response Time 2.5 s
Max Energy Density (for <100ns) 0.3J/cm2
Max Energy Density (for 2ms) 10J/cm2
Max Average Power 250W

WeChat

Customer Service QQ

Customer Hotline:

0l0-52867771
l3811111452
l7896OO5796

Technical Supports

l7896OO5796
info@dorgean.com