亚洲成人国产I亚洲丝袜中文I黄色网大全I天天操天天射天天添I午夜av影院I成年一级片

Products

current position:home page>Products>optical instrument>Ophir>

L40(200)A-EX-50 P/N7Z02795 Laser Measurement Sensor

Updated:2025-03-13

Views:1879

  • Brand: Ophir
  • Model: L40(200)A-EX-50
  • Description: The L40(200)A-EX-50 is a thermal power/energy laser measurement sensor for use with excimer lasers. It has a 50mm aperture and can measure from 300mW to 35W continuously and to 200W intermittently. It
  • Feedback
  • WeChat

    QQ

    Online Service

Product Details

L40(200)A-EX-50 P/N7Z02795 Laser Measurement Sensor Introduction:

The L40(200)A-EX-50 is a thermal power/energy laser measurement sensor for use with excimer lasers. It has a 50mm aperture and can measure from 300mW to 35W continuously and to 200W intermittently. It can measure energy from 100mJ to 200J. Its EX absorber has a damage threshold of 0.5J/cm2 and covers the spectral range from 0.15 - 0.7um and 10.6μm. The sensor comes with a standard 1.5 meter cable for connecting to a meter or PC interface.

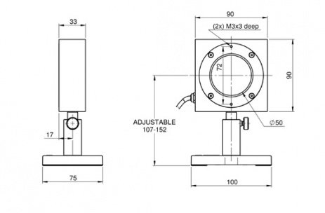
L40(200)A-EX-50 P/N7Z02795 Laser Measurement Sensor Drawing:

L40(200)A-EX-50 Drawing

L40(200)A-EX-50 P/N7Z02795 Laser Measurement Sensor Specification:

Absorber Type EX
Aperture ?50mm
Spectral Range 0.15-0.7μm, 10.6μm
Power Range 300mW-200W
Energy Range 100mJ-200J
Dimensions 90 L x 90 W x 33 D (mm)
Max Pulse Energy 200J
Max Average Power Density 1.5kW/cm2
Response Time 2.5 s
Max Energy Density (for <100ns) 0.5J/cm2
Max Energy Density (for 2ms) 12J/cm2
Max Average Power 200W

WeChat

Customer Service QQ

Customer Hotline:

0l0-52867771
l3811111452
l7896OO5796

Technical Supports

l7896OO5796
info@dorgean.com