亚洲成人国产I亚洲丝袜中文I黄色网大全I天天操天天射天天添I午夜av影院I成年一级片

Products

current position:home page>Products>optical instrument>Ophir>

F50A-BB-18 P/N7Z07121 Laser Measurement Sensor

Updated:2025-03-13

Views:1721

  • Brand: Ophir
  • Model: F50A-BB-18
  • Description: The F50A-BB-18 is a general purpose fan cooled thermal power/energy laser measurement sensor with a 17.5mm aperture. It can measure power from 10mW to 50W and energy from 6mJ to 50J. It has the spectr
  • Feedback
  • WeChat

    QQ

    Online Service

Product Details

F50A-BB-18 P/N7Z07121 Laser Measurement Sensor Introduction:

The F50A-BB-18 is a general purpose fan cooled thermal power/energy laser measurement sensor with a 17.5mm aperture. It can measure power from 10mW to 50W and energy from 6mJ to 50J. It has the spectrally flat broadband coating and covers the spectral range from 0.19 to 11μm. The sensor comes with a standard 1.5 meter cable for connecting to a meter or PC interface.

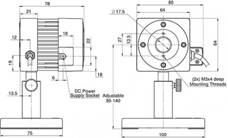
F50A-BB-18 P/N7Z07121 Laser Measurement Sensor Drawing:

F50A-BB-18 Drawing

F50A-BB-18 P/N7Z07121 Laser Measurement Sensor Specification:

Absorber Type Broadband
Aperture ?17.5mm
Spectral Range 0.19 – 11μm
Power Range 10mW-50W
Energy Range 6mJ-50J
Backscattered Power N.A.
Dimensions 64 L x 64 W x 78 D (mm)
Max Pulse Energy 50J
Max Average Power Density 17kW/cm2
Response Time 0.8 s
Max Energy Density (for <100ns) 0.3J/cm2
Max Energy Density (for 2ms) 2J/cm2
Max Average Power 50W
BeamTrack Functions N.A.

WeChat

Customer Service QQ

Customer Hotline:

0l0-52867771
l3811111452
l7896OO5796

Technical Supports

l7896OO5796
info@dorgean.com