亚洲成人国产I亚洲丝袜中文I黄色网大全I天天操天天射天天添I午夜av影院I成年一级片

Products

current position:home page>Products>optical instrument>Ophir>

F100A-PF-DIF-33 P/N7Z02744 Laser Measurement Sensor

Updated:2025-03-13

Views:1623

  • Brand: Ophir
  • Model: F100A-PF-DIF-33
  • Description: The F100A-PF-DIF-33 is a fan cooled thermal power/energy laser measurement sensor for high peak power pulsed lasers. It has a 33mm aperture and can withstand pulses of up to 4J/cm2. It can measure pow
  • Feedback
  • WeChat

    QQ

    Online Service

Product Details

F100A-PF-DIF-33 P/N7Z02744 Laser Measurement Sensor Introduction:

The F100A-PF-DIF-33 is a fan cooled thermal power/energy laser measurement sensor for high peak power pulsed lasers. It has a 33mm aperture and can withstand pulses of up to 4J/cm2. It can measure power from 50mW to 100W and energy from 60mJ to 200J and covers the spectral range from 0.24 to 2.2μm. The sensor comes with a standard 1.5 meter cable for connecting to a meter or PC interface.

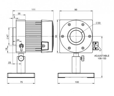
F100A-PF-DIF-33 P/N7Z02744 Laser Measurement Sensor Drawing:

F100A-PF-DIF-33 Drawing

F100A-PF-DIF-33 P/N7Z02744 Laser Measurement Sensor Specification:

Absorber Type PF type + diffuser
Aperture ?33mm
Spectral Range 0.24 – 2.2μm
Power Range 50mW-100W
Energy Range 60mJ-200J
Backscattered Power N.A.
Dimensions 90 L x 90 W x 111 D (mm)
Max Pulse Energy 200J
Max Average Power Density >6 kW/cm2
Response Time 2.5 s
Max Energy Density (for <100ns) 4J/cm2
Max Energy Density (for 2ms) 35J/cm2
Max Average Power 100W
BeamTrack Functions N.A.

WeChat

Customer Service QQ

Customer Hotline:

0l0-52867771
l3811111452
l7896OO5796

Technical Supports

l7896OO5796
info@dorgean.com