亚洲成人国产I亚洲丝袜中文I黄色网大全I天天操天天射天天添I午夜av影院I成年一级片

產品中心

Products

當前位置:首頁>產品中心>光學儀器>以色列Ophir>

F100A-PF-DIF-33 P/N7Z02744 激光測量傳感器

更新時間:2025-03-13

瀏覽量:1621

  • 品牌:Ophir
  • 型號:F100A-PF-DIF-33
  • 描述:F100A-PF-DIF-33是一款用于高峰值功率脈沖激光的熱功率/能量激光測量傳感器。具有33mm孔徑,可承受高至4J/cm2的脈沖。功率測量范圍為50mW - 100W,能量測量范圍為60mJ -...
  • 在線訂購
  • 微信咨詢

    QQ咨詢

    在線客服

產品介紹

F100A-PF-DIF-33 P/N7Z02744 激光測量傳感器概述:

F100A-PF-DIF-33是一款用于高峰值功率脈沖激光的熱功率/能量激光測量傳感器。具有33mm孔徑,可承受高至4J/cm2的脈沖。功率測量范圍為50mW - 100W,能量測量范圍為60mJ - 200J,光譜覆蓋范圍為0.24 - 2.2μm。該傳感器配備一根標準1.5米電纜,用于連接至一個儀表表頭或PC接口。

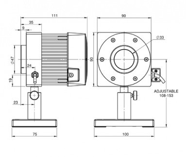
F100A-PF-DIF-33 P/N7Z02744 激光測量傳感器圖紙:

F100A-PF-DIF-33 圖紙

F100A-PF-DIF-33 P/N7Z02744 激光測量傳感器規格:

吸收器類型 PF型 + 擴散器
光圈 ?33mm
光譜范圍 0.24 – 2.2μm
功率范圍 50mW-100W
能量范圍 60mJ-200J
背散射功率 N.A.
尺寸 90 L x 90 W x 111 D (mm)
最大脈沖能量 200J
最大平均功率密度 >6 kW/cm2
響應時間 2.5 s
最大能量密度 (<100ns) 4J/cm2
最大能量密度 (2ms) 35J/cm2
最大平均功率 100W
BeamTrack功能 N.A.

咨詢微信客服

咨詢微信客服

QQ在線客服

客服熱線:

0I0-52867771
I3811111452
I7896005796

技術支持

I7896005796
收起

掃一掃,關注官方賬號

掃一掃,關注官方賬號

010-52867771

在線客服