亚洲成人国产I亚洲丝袜中文I黄色网大全I天天操天天射天天添I午夜av影院I成年一级片

產品中心

Products

當前位置:首頁>產品中心>光學儀器>以色列Ophir>

F50A-BB-18 7Z07121 激光測量傳感器

更新時間:2025-03-13

瀏覽量:1720

  • 品牌:Ophir
  • 型號:F50A-BB-18
  • 描述:F50A-BB-18是一款通用型風扇冷卻式熱功率/能量激光測量傳感器,具有17.5mm孔徑。其功率測量范圍是10mW~50W,能量測量范圍是6mJ~50J。其具有頻譜平坦的寬帶涂層,頻譜覆蓋范圍為0....
  • 在線訂購
  • 微信咨詢

    QQ咨詢

    在線客服

產品介紹

F50A-BB-18 P/N7Z07121 激光測量傳感器概述:

F50A-BB-18是一款通用型風扇冷卻式熱功率/能量激光測量傳感器,具有17.5mm孔徑。其功率測量范圍是10mW~50W,能量測量范圍是6mJ~50J。其具有頻譜平坦的寬帶涂層,頻譜覆蓋范圍為0.19~11μm。該傳感器配備一根標準1.5米電纜,用于連接至一個儀表表頭或PC接口。

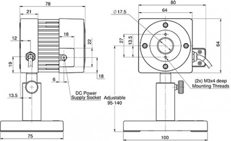
F50A-BB-18 P/N7Z07121 激光測量傳感器圖紙:

F50A-BB-18 圖紙

F50A-BB-18 P/N7Z07121 激光測量傳感器規格:

吸收器類型 寬帶
光圈 ?17.5mm
光譜范圍 0.19 – 11μm
功率范圍 10mW-50W
能量范圍 6mJ-50J
背散射功率 N.A.
尺寸 64 L x 64 W x 78 D (mm)
最大脈沖能量 50J
最大平均功率密度 17kW/cm2
響應時間 0.8 s
最大能量密度 (<100ns) 0.3J/cm2
最大能量密度 (2ms) 2J/cm2
最大平均功率 50W
BeamTrack功能 N.A.

咨詢微信客服

咨詢微信客服

QQ在線客服

客服熱線:

0I0-52867771
I3811111452
I7896005796

技術支持

I7896005796
收起

掃一掃,關注官方賬號

掃一掃,關注官方賬號

010-52867771

在線客服