亚洲成人国产I亚洲丝袜中文I黄色网大全I天天操天天射天天添I午夜av影院I成年一级片

Products

current position:home page>Products>optical instrument>Ophir>

PE50BF-C 7Z02934 High Damage Threshold Pyroelectric Energy Meter

Updated:2025-03-13

Views:2207

  • Brand:Ophir
  • Model:PE50BF-C
  • Description: The PE50BF-C is a high damage threshold pyroelectric energy meter with a 46mm aperture. It can measure energies from 120μJ up to 10J. It can operate at repetition rates up to 250Hz and covers the spec
  • Feedback
  • WeChat

    QQ

    Online Service

Product Details

PE50BF-C 7Z02934 High Damage Threshold Pyroelectric Energy Meter Description:

The PE50BF-C is a high damage threshold pyroelectric energy meter with a 46mm aperture. It can measure energies from 120μJ up to 10J. It can operate at repetition rates up to 250Hz and covers the spectral range from 0.15 - 3, 10.6μm. The sensor comes with a standard 1.5 meter cable for connecting to a meter or PC interface.

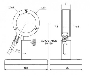
PE50BF-C 7Z02934 High Damage Threshold Pyroelectric Energy Meter Drawing:

PE50BF-C Drawing

PE50BF-C 7Z02934 High Damage Threshold Pyroelectric Energy Meter Specifications:

Absorber Type BF
Aperture ?46mm
Spectral Range 0.15-3μm, 10.6μm
Energy Range 120μJ-10J
Maximum Frequency 250Hz
Dimensions ?62 W x 21 D (mm)
Max Pulse Energy 10J
Max Average Power Density 20W/cm2
Max Pulse Width 20 ms
Damage Threshold(for <100ns) 0.8J/cm2
Damage Threshold(for 2ms) 10J/cm2
Max Average Power 15W

WeChat

Customer Service QQ

Customer Hotline:

0l0-52867771
l3811111452
l7896OO5796

Technical Supports

l7896OO5796
info@dorgean.com