亚洲成人国产I亚洲丝袜中文I黄色网大全I天天操天天射天天添I午夜av影院I成年一级片

Products

current position:home page>Products>optical instrument>Ophir>

PE50-DIF-C 7Z02939 Pyroelectric Energy Meter

Updated:2025-03-13

Views:2772

  • Brand:Ophir
  • Model:PE50-DIF-C
  • Description: The PE50-DIF-C is a pyroelectric energy meter with a diffuser for concentrated beams. It has a 35mm aperture and can measure energies from 20μJ up to 10J. It can operate at repetition rates up to 10kH
  • Feedback
  • WeChat

    QQ

    Online Service

Product Details

PE50-DIF-C 7Z02939 Pyroelectric Energy Meter Description:

The PE50-DIF-C is a pyroelectric energy meter with a diffuser for concentrated beams. It has a 35mm aperture and can measure energies from 20μJ up to 10J. It can operate at repetition rates up to 10kHz and covers the spectral range from 0.19 - 2.2 and 2.94μm. The sensor comes with a standard 1.5 meter cable for connecting to a meter or PC interface.

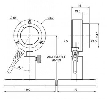
PE50-DIF-C 7Z02939 Pyroelectric Energy Meter Drawing:

PE50-DIF-C Drawing

PE50-DIF-C 7Z02939 Pyroelectric Energy Meter Specifications:

Absorber Type Metallic with diffuser
Aperture ?35mm
Spectral Range 0.19-2.2μm, 2.94μm
Energy Range 20μJ-10J
Maximum Frequency 10,000Hz
Dimensions ?62 W x 35 D (mm)
Max Pulse Energy 10J
Max Average Power Density 100W/cm2
Max Pulse Width 5 ms
Damage Threshold(for <100ns) 1J/cm2
Damage Threshold(for 2ms) 40J/cm2
Max Average Power 25W

WeChat

Customer Service QQ

Customer Hotline:

0l0-52867771
l3811111452
l7896OO5796

Technical Supports

l7896OO5796
info@dorgean.com