亚洲成人国产I亚洲丝袜中文I黄色网大全I天天操天天射天天添I午夜av影院I成年一级片

Products

current position:home page>Products>optical instrument>Ophir>

FL250A-LP2-DIF-33 7Z02787 Laser Measurement Sensor

Updated:2025-03-13

Views:1639

  • Brand: Ophir
  • Model: FL250A-LP2-DIF-33
  • Description: The FL250A-LP2-DIF-33 is a fan cooled thermal power/energy laser measurement sensor for high power density and long pulse lasers. It has a 33mm aperture and can measure power from 400mW to 250W contin
  • Feedback
  • WeChat

    QQ

    Online Service

Product Details

FL250A-LP2-DIF-33 7Z02787 Laser Measurement Sensor Introduction:

The FL250A-LP2-DIF-33 is a fan cooled thermal power/energy laser measurement sensor for high power density and long pulse lasers. It has a 33mm aperture and can measure power from 400mW to 250W continuously and energy from 400mJ to 600J. Its high damage threshold LP2 absorber covers the spectral range from 0.4 to 3μm. The sensor comes with a standard 1.5 meter cable for connecting to a meter or PC interface.

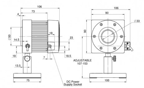
FL250A-LP2-DIF-33 7Z02787 Laser Measurement Sensor Drawing:

FL250A-LP2-DIF-33 Drawing

FL250A-LP2-DIF-33 7Z02787 Laser Measurement Sensor Specification:

Absorber Type LP2 + diffuser
Aperture ?33mm
Spectral Range 0.4-3μm
Power Range 400mW-250W
Energy Range 400mJ-600J
Backscattered Power N.A.
Dimensions 90 L x 90 W x 106 D (mm)
Max Pulse Energy 600J
Max Average Power Density 2kW/cm2
Response Time 2.5 s
Max Energy Density (for <100ns) 0.5J/cm2
Max Energy Density (for 2ms) 400J/cm2
Max Average Power 250W
BeamTrack Functions N.A.

WeChat

Customer Service QQ

Customer Hotline:

0l0-52867771
l3811111452
l7896OO5796

Technical Supports

l7896OO5796
info@dorgean.com