亚洲成人国产I亚洲丝袜中文I黄色网大全I天天操天天射天天添I午夜av影院I成年一级片

產品中心

Products

當前位置:首頁>產品中心>光學儀器>以色列Ophir>

FL250A-LP2-DIF-33 7Z02787 激光測量探頭

更新時間:2025-03-13

瀏覽量:1638

  • 品牌:Ophir
  • 型號:FL250A-LP2-DIF-33
  • 描述:FL250A-LP2-DIF-33是一款用于高功率密度和長脈沖激光的風扇冷卻熱電堆功率/能量激光測量探頭。其孔徑為33mm,可連續測量400mW至250W的功率,以及間歇測量400mJ-600J的功率...
  • 在線訂購
  • 微信咨詢

    QQ咨詢

    在線客服

產品介紹

FL250A-LP2-DIF-33 7Z02787 激光測量探頭概述:

FL250A-LP2-DIF-33是一款用于高功率密度和長脈沖激光的風扇冷卻熱電堆功率/能量激光測量探頭。其孔徑為33mm,可連續測量400mW至250W的功率,以及間歇測量400mJ-600J的功率。其高損傷閾值LP2涂層可覆蓋0.4至3μm的光譜范圍。探頭配有1.5米長的標準電纜,用于連接儀表或PC適配器。

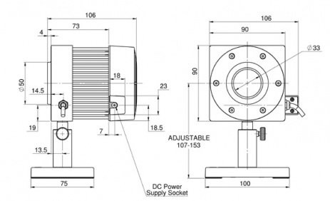
FL250A-LP2-DIF-33 7Z02787 激光測量探頭圖紙:

FL250A-LP2-DIF-33 圖紙

FL250A-LP2-DIF-33 7Z02787 激光測量探頭規格:

吸收器類型 LP2 + diffuser
光圈 ?33mm
光譜范圍 0.4-3μm
功率范圍 400mW-250W
能量范圍 400mJ-600J
背散射功率 N.A.
尺寸 90 L x 90 W x 106 D (mm)
最大脈沖能量 600J
最大平均功率密度 2kW/cm2
響應時間 2.5 s
最大能量密度 (<100ns) 0.5J/cm2
最大能量密度 (2ms) 400J/cm2
最大平均功率 250W
BeamTrack功能 N.A.

咨詢微信客服

咨詢微信客服

QQ在線客服

客服熱線:

0I0-52867771
I3811111452
I7896005796

技術支持

I7896005796
收起

掃一掃,關注官方賬號

掃一掃,關注官方賬號

010-52867771

在線客服