亚洲成人国产I亚洲丝袜中文I黄色网大全I天天操天天射天天添I午夜av影院I成年一级片

Products

current position:home page>Products>optical instrument>Ophir>

30(150)A-LP2-18 P/N7Z02786 Laser Measurement Sensor

Updated:2025-03-13

Views:1722

  • Brand: Ophir
  • Model: 30(150)A-LP2-18
  • Description: The 30(150)A-LP2-18 is a thermal power/energy laser measurement sensor for high power density and long pulse lasers. It has an 17.5mm aperture and can measure from 30mW to 30W continuously and to 150W
  • Feedback
  • WeChat

    QQ

    Online Service

Product Details

30(150)A-LP2-18 P/N7Z02786 Laser Measurement Sensor Introduction:

The 30(150)A-LP2-18 is a thermal power/energy laser measurement sensor for high power density and long pulse lasers. It has an 17.5mm aperture and can measure from 30mW to 30W continuously and to 150W intermittently. It can measure energy from 20mJ to 300J. Its high damage threshold LP2 absorber covers the spectral range from 0.25 to 2.2μm. The sensor comes with a standard 1.5 meter cable for connecting to a meter or PC interface.

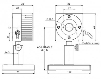
30(150)A-LP2-18 P/N7Z02786 Laser Measurement Sensor Drawing:

30(150)A-LP2-18 Drawing

30(150)A-LP2-18 P/N7Z02786 Laser Measurement Sensor Specification:

Absorber Type LP2
Aperture ?17.5mm
Spectral Range 0.25-2.2μm
Power Range 30mW-150W
Energy Range 20mJ-300J
Dimensions 64 L x 64 W x 49 D (mm)
Max Pulse Energy 300J
Max Average Power Density 33kW/cm2
Response Time 1.2 s
Max Energy Density (for <100ns) 0.1J/cm2
Max Energy Density (for 2ms) 130J/cm2
Max Average Power 150W

WeChat

Customer Service QQ

Customer Hotline:

0l0-52867771
l3811111452
l7896OO5796

Technical Supports

l7896OO5796
info@dorgean.com