亚洲成人国产I亚洲丝袜中文I黄色网大全I天天操天天射天天添I午夜av影院I成年一级片

產品中心

Products

當前位置:首頁>產品中心>光學儀器>以色列Ophir>

30(150)A-LP2-18 P/N7Z02786 激光測量探頭

更新時間:2025-03-13

瀏覽量:1719

  • 品牌:Ophir
  • 型號:30(150)A-LP2-18
  • 描述:30(150)A-LP2-18是一款用于高功率密度和長脈沖激光的熱電堆功率/能量激光測量探頭。其孔徑為17.5mm,可連續測量30mW至30W的功率,以及間歇測量150W的功率。可測量 20mJ 至 ...
  • 在線訂購
  • 微信咨詢

    QQ咨詢

    在線客服

產品介紹

30(150)A-LP2-18 P/N7Z02786 激光測量探頭概述:

30(150)A-LP2-18是一款用于高功率密度和長脈沖激光的熱電堆功率/能量激光測量探頭。其孔徑為17.5mm,可連續測量30mW至30W的功率,以及間歇測量150W的功率。可測量 20mJ 至 300J的單脈沖激光能量。其高損傷閾值LP2涂層可覆蓋0.25至2.2μm的光譜范圍。探頭配有1.5米長的標準電纜,用于連接儀表或PC適配器。

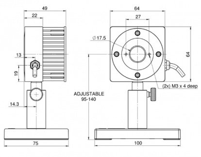
30(150)A-LP2-18 P/N7Z02786 激光測量探頭圖紙:

30(150)A-LP2-18 圖紙

30(150)A-LP2-18 P/N7Z02786 激光測量探頭規格:

吸收器類型 LP2
光圈 ?17.5mm
光譜范圍 0.25-2.2μm
功率范圍 30mW-150W
能量范圍 20mJ-300J
尺寸 64 L x 64 W x 49 D (mm)
最大脈沖能量 300J
最大平均功率密度 33kW/cm2
響應時間 1.2 s
最大能量密度 (<100ns) 0.1J/cm2
最大能量密度 (2ms) 130J/cm2
最大平均功率 150W

咨詢微信客服

咨詢微信客服

QQ在線客服

客服熱線:

0I0-52867771
I3811111452
I7896005796

技術支持

I7896005796
收起

掃一掃,關注官方賬號

掃一掃,關注官方賬號

010-52867771

在線客服