亚洲成人国产I亚洲丝袜中文I黄色网大全I天天操天天射天天添I午夜av影院I成年一级片

Products

current position:home page>Products>optical instrument>Ophir>

SP932U Beam Profiling Camera

Updated:2025-03-13

Views:2501

  • Brand: OPHIR
  • Model: SP932U
  • Description: USB 3.0 Global Shutter CMOS, high resolution Camera, with improved accuracy, especially at popular NIR and Nd:YAG wavelengths with BeamGage new "Blooming Correction" Algorithm.
  • Feedback
  • WeChat

    QQ

    Online Service

Product Details

SP932U beam analysis camera features

User's Manual

  1. 2048 x 1536 pixel resolu tion with a 3.45 μm pixel pitch

  2. 24 fps at full resolution

  3. New "Blooming Correction" algorithm at NIR and no smearing

  4. BeamGage Standard or Professional software included

  5. Requires Win 10, 64 bit or higher

  6. USB 3.0 Silicon CMOS High Resolution Camera with BeamGage

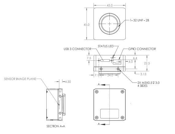
Drawing of SP932U beam analysis camera

SP932U beam analysis camera specifications

Wavelengths 190-1100nm
Beam Sizes 34.5μm 5.3mm
Interface USB 3.0
Sensor Type Silicon CMOS
Compatible Light Sources CW, Pulsed
Active Area 7.06mm x 5.3mm
Elements 2048 x 1536
Effective Pixel Pitch 3.45μm x 3.45μm
Dynamic Range 72 dB
Frame Rate at Full Resolution 24fps
Compliance CE, UKCA, China RoHS

SP932U Beam analysis camera often asks questions

What is the advantage of the SP932U camera?

CMOS sensor used in the SP932U camera has an advantage over CCD Ophir cameras due to the possibility of faster measurement speed and lack of Smearing Effect.

Why SP932U camera is the most suitable for NIR wavelengths beam profiling?

SP932U exploits a special mathematical algorithm to remove the "Blooming Effect" at 1000-1100nm. Each camera is specially calibrated to remove the blooming and provide precise beam profiling measurement at popular NIR and Nd: YAG ranges.

WeChat

Customer Service QQ

Customer Hotline:

0l0-52867771
l3811111452
l7896OO5796

Technical Supports

l7896OO5796
info@dorgean.com