亚洲成人国产I亚洲丝袜中文I黄色网大全I天天操天天射天天添I午夜av影院I成年一级片

Products

current position:home page>Products>optical instrument>Ophir>

SP1203 Beam Profiling Camera

Updated:2025-03-13

Views:2029

  • Brand: OPHIR
  • Model: SP1203
  • Description: The SP1203 camera accurately captures and analyzes wavelengths from 900nm - 1700nm. It features a high resolution VGA sensor, compact design, power over Ethernet, stabilized sensor cooling with no fan
  • Feedback
  • WeChat

    QQ

    Online Service

Product Details

SP1203 Beam analysis camera features

  1. 640 x 512 active area with a 15μm pixel pitch

  2. NIR performance

  3. Compact industrial design

  4. Power over Ethernet

  5. Automatic NUC file correction

  6. Exclusive Ultracal for ISO conforming accuracy

  7. BeamGage Professional software included

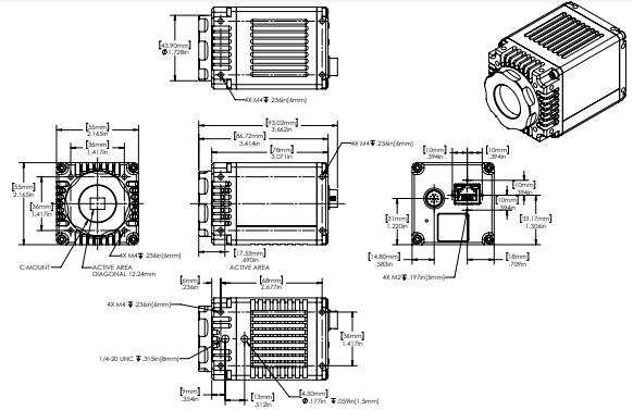
Drawing of SP1203 beam analysis camera

SP1203 Beam analysis camera specifications

Wavelengths 900-1700nm
Beam Sizes 150μm – 7.4mm
Interface GigE
Sensor Type InGaAs
Compatible Light Sources CW, Pulsed
Active Area 9.6mm x 7.6mm
Elements 640 x 512
Effective Pixel Pitch 15μm
Dynamic Range 68 dB
Frame Rate at Full Resolution 60Hz
Compliance CE, UKCA, China RoHS

SP1203 Beam Profiling Camera FAQ

What is the distance from the front of the camera to the sensor?

We call this term a "CCD recess". Ophir provides differen Beam Profiler cameras designated for varies uses , thus there are 2 types CCD recess: Most models has 4.5mm CCD recess. Some models have standard C-mount camera has a sensor depth from the front of the camera to the sensor of 17.5mm. Some outdated Ophir beam profilers had 12.5mm recess.

What is the saturation level of the SP1203 camera?

The saturation intensity for the SP1203 is 8.9μW/cm2 at 1550nm Follow this link and input your laser parameters and you can calculate the your power density.

At what wavelengths is the SP1203 most responsive?

What is the framerate of the SP1203?

60 Frames/second

The effective frame rates listed in BeamGage specification sheets are the maximum rates typically achievable in actual use. Frame buffering, image processing techniques, graphical displays, and mathematical computation all add degrees of overhead to achieving higher frame rates. This can be further limited by the available PC hardware. BeamGage features two modes, Frame Priority and Results Priority, which change how the system balances the work. Results Priority acquires a frame, performs any enabled image processing, performs all calculations and updates the graphical displays before accepting another frame from the camera. This mode is most useful when a temporal sequence of frames is not necessary and should always be enabled when logging. Frame Priority mode will allow the calculations and graphical display updates to be interrupted if another frame is ready from the camera before those operations are complete. This can be useful when collecting all frames at the maximum camera frame rate is necessary.

What beam sizes can I measure with the SP1203?

150μm - 7.4mm The accurate beam size minimum is derived by the pixel size of the camera. In order to get an accurate measurement, there must be enough coverage of pixels to ensure that illuminating another pixel will not over exaggerate the beam size.

WeChat

Customer Service QQ

Customer Hotline:

0l0-52867771
l3811111452
l7896OO5796

Technical Supports

l7896OO5796
info@dorgean.com