亚洲成人国产I亚洲丝袜中文I黄色网大全I天天操天天射天天添I午夜av影院I成年一级片

Products

current position:home page>Products>optical instrument>Ophir>

PE50BF-DIFH2-C High Damage Threshold Diffuser

Updated:2025-03-13

Views:2163

  • Brand: Ophir
  • Model: PE50BF-DIFH2-C
  • Description: The PE50BF-DIFH2-C pyroelectric energy sensor has a high damage threshold diffuser for concentrated beams. It has a 35 mm aperture and can measure energies from 200 μJ up to 10 J. It has a damage thre
  • Feedback
  • WeChat

    QQ

    Online Service

Product Details

PE50BF-DIFH2-C High Damage Threshold Diffuser Description:

Datasheet Drawing

The PE50BF-DIFH2-C pyroelectric energy sensor has a high damage threshold diffuser for concentrated beams. It has a 35 mm aperture and can measure energies from 200 μJ up to 10 J. It has a damage threshold of 8 J/cm2 for ns pulses. It can operate at repetition rates up to 250 Hz and covers the spectral range from 355 to 2200 nm and 2940 nm.

BF absorber with a 355-2200 nm spectral range

200 μJ to 10 J pulse energy measurement range

High damage threshold for pulsed lasers with concentrated beams

20 ms maximum pulse width

Repetition rates up to 250 Hz

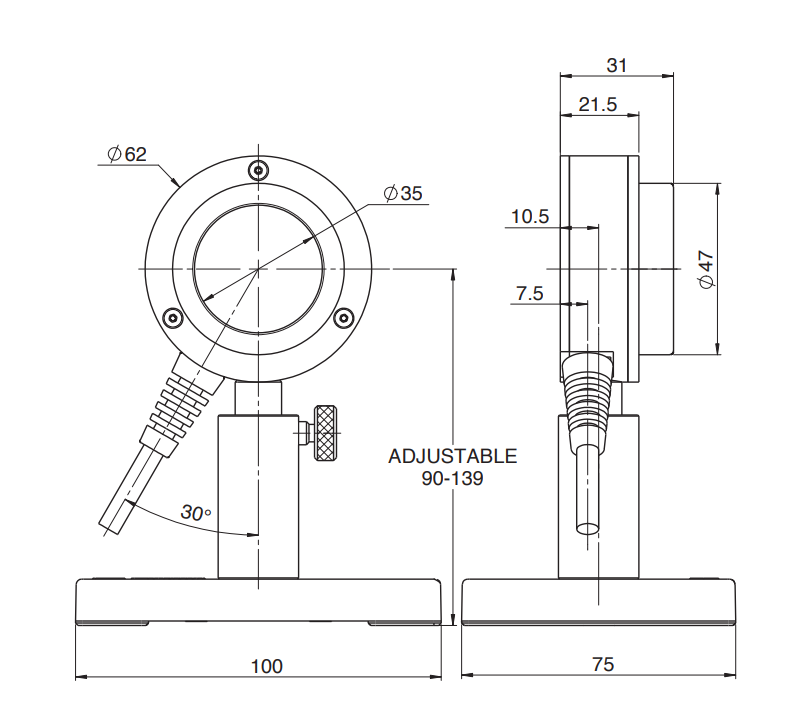
Drawing

PE50BF-DIFH2-C Drawing

Specifications

Product Name PE50BF-DIFH2-C
Aperture Size ?35 mm
Absorber Type BF
Spectral Range 355-2200, 2940 nm
Minimum Pulse Energy 200 μJ
Maximum Pulse Energy 10 J
Maximum Frequency 250 Hz
Maximum Average Power 25 W
Maximum Average Power Density 200 W/cm2
Maximum Pulse Width 20 ms
Damage Threshold (100 ns) 8 J/cm2
Damage Threshold (2 ms) 200 J/cm2
Diffuser Yes
Cable Length 1.5 m
Dimensions ?62 x 31 mm

WeChat

Customer Service QQ

Customer Hotline:

0l0-52867771
l3811111452
l7896OO5796

Technical Supports

l7896OO5796
info@dorgean.com