亚洲成人国产I亚洲丝袜中文I黄色网大全I天天操天天射天天添I午夜av影院I成年一级片

Products

current position:home page>Products>optical instrument>Ophir>

PE50-DIF-ER-C 7Z02948 Pyroelectric Energy Meter

Updated:2025-03-13

Views:2736

  • Brand:Ophir
  • Model:PE50-DIF-ER-C
  • Description: The PE50-DIF-ER-C is a pyroelectric energy meter with a removable diffuser for high energy YAG and erbium lasers. It has a 46mm aperture with diffuser out and 33mm aperture with diffuser in. It can me
  • Feedback
  • WeChat

    QQ

    Online Service

Product Details

PE50-DIF-ER-C 7Z02948 Pyroelectric Energy Meter Description:

The PE50-DIF-ER-C is a pyroelectric energy meter with a removable diffuser for high energy YAG and erbium lasers. It has a 46mm aperture with diffuser out and 33mm aperture with diffuser in. It can measure energies from 10μJ up to 30J. It can operate at repetition rates up to 10kHz and is calibrated for 1.064, 0.532, 2.1 and 2.94μm. The sensor comes with a standard 1.5 meter cable for connecting to a meter or PC interface.

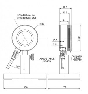
PE50-DIF-ER-C 7Z02948 Pyroelectric Energy Meter Drawing:

PE50-DIF-ER-C Drawing

PE50-DIF-ER-C 7Z02948 Pyroelectric Energy Meter Specifications:

Absorber Type Metallic with removable diffuser
Aperture ?46mm, ?33mm with diffuser
Spectral Range 0.19-3μm, 0.4-3μm with diffuser
Energy Range 10μJ-30J
Maximum Frequency 10,000Hz
Dimensions ?62 W x 29 D (mm)
Max Pulse Energy 30J
Max Average Power Density 20W/cm2
Max Pulse Width 5 ms
Damage Threshold(for <100ns) 0.1J/cm2
Damage Threshold(for 2ms) 6J/cm2
Max Average Power 15W

WeChat

Customer Service QQ

Customer Hotline:

0l0-52867771
l3811111452
l7896OO5796

Technical Supports

l7896OO5796
info@dorgean.com