亚洲成人国产I亚洲丝袜中文I黄色网大全I天天操天天射天天添I午夜av影院I成年一级片

Products

current position:home page>Products>optical instrument>Ophir>

PE25-C 7Z02937 General Purpose Pyroelectric Energy Meter

Updated:2025-03-13

Views:2272

  • Brand:Ophir
  • Model:PE25-C
  • Description: The PE25-C is a general purpose pyroelectric energy meter with a 24mm aperture. It can measure energies from 8μJ up to 10J. It can operate at repetition rates up to 10kHz and covers the spectral range
  • Feedback
  • WeChat

    QQ

    Online Service

Product Details

PE25-C 7Z02937 General Purpose Pyroelectric Energy Meter Description:

The PE25-C is a general purpose pyroelectric energy meter with a 24mm aperture. It can measure energies from 8μJ up to 10J. It can operate at repetition rates up to 10kHz and covers the spectral range from 0.15 - 3μm. The sensor comes with a standard 1.5 meter cable for connecting to a meter or PC interface.

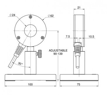
PE25-C 7Z02937 General Purpose Pyroelectric Energy Meter Drawing:

PE25-C Drawing

PE25-C 7Z02937 General Purpose Pyroelectric Energy Meter Specifications:

Absorber Type metallic
Aperture ?24mm
Spectral Range 0.15-3μm
Energy Range 8μJ-10J
Maximum Frequency 10,000Hz
Dimensions ?62 W x 21 D (mm)
Max Pulse Energy 10J
Max Average Power Density 20W/cm2
Max Pulse Width 5ms
Damage Threshold(for <100ns) 0.1J/cm2
Damage Threshold(for 2ms) 6J/cm2
Max Average Power 15W

WeChat

Customer Service QQ

Customer Hotline:

0l0-52867771
l3811111452
l7896OO5796

Technical Supports

l7896OO5796
info@dorgean.com