亚洲成人国产I亚洲丝袜中文I黄色网大全I天天操天天射天天添I午夜av影院I成年一级片

Products

current position:home page>Products>optical instrument>Ophir>

PE10-C 7Z02932 Pyroelectric Energy Meter For Low Energies

Updated:2025-03-13

Views:2195

  • Brand:Ophir
  • Model:PE10-C
  • Description: The PE10-C is a pyroelectric energy meter for low energies with a 10mm aperture. It can measure energies from 1μJ up to 10mJ. It can operate at repetition rates up to 25kHz and covers the spectral ran
  • Feedback
  • WeChat

    QQ

    Online Service

Product Details

PE10-C 7Z02932 Pyroelectric Energy Meter For Low Energies Description:

The PE10-C is a pyroelectric energy meter for low energies with a 10mm aperture. It can measure energies from 1μJ up to 10mJ. It can operate at repetition rates up to 25kHz and covers the spectral range from 0.15 - 12μm. The sensor comes with a standard 1.5 meter cable for connecting to a meter or PC interface.

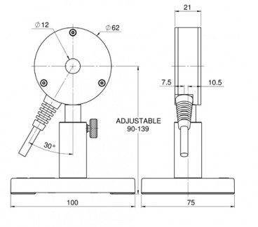
PE10-C 7Z02932 Pyroelectric Energy Meter For Low Energies Drawing:

PE10-C Drawing

PE10-C 7Z02932 Pyroelectric Energy Meter For Low Energies Specifications:

Absorber Type metallic
Aperture ?12mm
Spectral Range 0.15-12μm
Energy Range 1μJ-10mJ
Maximum Frequency 25,000Hz
Dimensions ?62 W x 21 D (mm)
Max Pulse Energy 10mJ
Max Average Power Density 50W/cm2
Max Pulse Width 30μs
Damage Threshold(for <100ns) 0.1J/cm2
Damage Threshold(for 2ms) 6J/cm2
Max Average Power 2W

WeChat

Customer Service QQ

Customer Hotline:

0l0-52867771
l3811111452
l7896OO5796

Technical Supports

l7896OO5796
info@dorgean.com