亚洲成人国产I亚洲丝袜中文I黄色网大全I天天操天天射天天添I午夜av影院I成年一级片

Products

current position:home page>Products>optical instrument>Ophir>

L50(300)A-LP2-65 7Z02782 Thermal Power/Energy Laser Measurement Sensor

Updated:2025-03-13

Views:2115

  • Brand:Ophir
  • Model:L50(300)A-LP2-65
  • Description: The L50(300)A-LP2-65 is a thermal power/energy laser measurement sensor for high power density and long pulse lasers. This sensor also measures air coupled pulses from IPL dermatological sources. It i
  • Feedback
  • WeChat

    QQ

    Online Service

Product Details

L50(300)A-LP2-65 7Z02782 Thermal Power/Energy Laser Measurement Sensor Description:

The L50(300)A-LP2-65 is a thermal power/energy laser measurement sensor for high power density and long pulse lasers. This sensor also measures air coupled pulses from IPL dermatological sources. It is similar to the L50(300)A-IPL but does not have the window so is for air coupled sources only. It gives the most accurate measurements for air coupled sources. It has a 65mm aperture and can measure from 400mW to 50W continuously and to 300W intermittently. The sensor can measure energy from 200mJ to 1000J. Its high damage threshold LP2 absorber covers the spectral range from 0.25 to 2.2μm. The sensor comes with a standard 1.5 meter cable for connecting to a meter or PC interface.

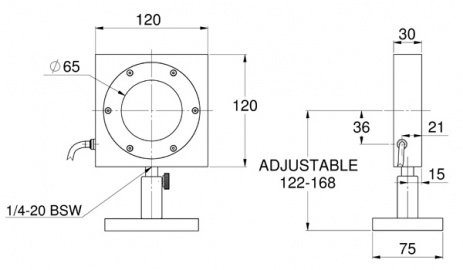
L50(300)A-LP2-65 7Z02782 Thermal Power/Energy Laser Measurement Sensor Drawing:

L50(300)A-LP2-65 Drawing

L50(300)A-LP2-65 7Z02782 Thermal Power/Energy Laser Measurement Sensor Specifications:

Absorber Type LP2
Aperture ?65mm
Spectral Range 0.25-2.2μm
Power Range 400mW-300W
Energy Range 200mJ - 1000J
Dimensions 120 L x 120 W x 30 D (mm)
Max Pulse Energy 1000J
Max Average Power Density 17kW/cm2
Response Time 3 s
Max Energy Density(for <100ns) 0.1J/cm2
Max Energy Density(for 2ms) 130J/cm2
Max Average Power 300W

WeChat

Customer Service QQ

Customer Hotline:

0l0-52867771
l3811111452
l7896OO5796

Technical Supports

l7896OO5796
info@dorgean.com