亚洲成人国产I亚洲丝袜中文I黄色网大全I天天操天天射天天添I午夜av影院I成年一级片

Products

current position:home page>Products>optical instrument>Ophir>

L50(150)A-PF-35 P/N7Z02737 Laser Measurement Sensor

Updated:2025-03-13

Views:1935

  • Brand: Ophir
  • Model: L50(150)A-PF-35
  • Description: The L50(150)A-PF-35 is a thermal power/energy laser measurement sensor for high peak power pulsed lasers. It has a 35mm aperture and can measure from 100mW to 150W intermittently and to 50W continuous
  • Feedback
  • WeChat

    QQ

    Online Service

Product Details

L50(150)A-PF-35 P/N7Z02737 Laser Measurement Sensor Introduction:

The L50(150)A-PF-35 is a thermal power/energy laser measurement sensor for high peak power pulsed lasers. It has a 35mm aperture and can measure from 100mW to 150W intermittently and to 50W continuously. It measures energy from 50mJ to 300J. It has a damage threshold of up to 3J/cm2 for ns pulses and covers the spectral range from 0.15 to 20μm. The sensor comes with a standard 1.5 meter cable for connecting to a meter or PC interface.

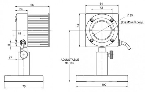
L50(150)A-PF-35 P/N7Z02737 Laser Measurement Sensor Drawing:

L50(150)A-PF-35 Drawing

L50(150)A-PF-35 P/N7Z02737 Laser Measurement Sensor Specification:

Absorber Type PF
Aperture ?35mm
Spectral Range 0.15-20μm
Power Range 100mW-150W
Energy Range 50mJ-300J
Dimensions 64 L x 64 W x 66 D (mm)
Max Pulse Energy 300J
Max Average Power Density 3kW/cm2
Response Time 2 s
Max Energy Density (for <100ns) 1.5J/cm2
Max Energy Density (for 2ms) 15J/cm2
Max Average Power 150W

WeChat

Customer Service QQ

Customer Hotline:

0l0-52867771
l3811111452
l7896OO5796

Technical Supports

l7896OO5796
info@dorgean.com