亚洲成人国产I亚洲丝袜中文I黄色网大全I天天操天天射天天添I午夜av影院I成年一级片

Products

current position:home page>Products>optical instrument>Ophir>

Juno+ 7Z01252 Juno+ USB Interface

Updated:2025-03-13

Views:1995

  • Brand: Ophir
  • Model: Juno+
  • Description: Virtual laser power meter - From sensor to PC - Powered from USB, Autonomous mode: Outputs voltage relative to measurement while connected via USB to a standalone power supply and not a PC, Plug and
  • Feedback
  • WeChat

    QQ

    Online Service

Product Details

Juno+ 7Z01252 Juno+ USB Interface Description:

Virtual laser power meter - From sensor to PC - Powered from USB

Autonomous mode: Outputs voltage relative to measurement while connected via USB to a standalone power supply and not a PC

Plug and play with all standard Ophir smart sensors

Record every energy pulse at up to 10 KHz

Analog output

Log power and energy, average, statistics, histograms and more with included StarLab application

Pulsed Power measurements with Thermopile sensors

Low Frequency Power on Photodiode sensors - power measurement based on pulse cycle (for VCSEL)

System Integrator Tools included: LabVIEW VIs, COM Object Interface

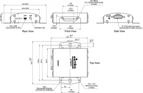
Juno+ 7Z01252 Juno+ USB Interface Drawing:

Juno+ Drawing

Juno+ 7Z01252 Juno+ USB Interface Specification:

Thermal Sensors Yes
Photodiode Sensors Yes
Pyroelectric Sensors Yes
BeamTrack Sensors Yes
Statistics Yes
Analog Out Yes
Communication USB
Trigger Input & Output No
Power Supply USB bus powered
Ethernet N/A
RS232 N/A
GPIB N/A
USB 10,000Hz
Bluetooth N/A
On-Board Data Storage No
Automation Interface Yes
Labview VI's Yes

WeChat

Customer Service QQ

Customer Hotline:

0l0-52867771
l3811111452
l7896OO5796

Technical Supports

l7896OO5796
info@dorgean.com