亚洲成人国产I亚洲丝袜中文I黄色网大全I天天操天天射天天添I午夜av影院I成年一级片

產品中心

Products

當前位置:首頁>產品中心>光學儀器>以色列Ophir>

Ophir SP402S激光光束分析儀

更新時間:2025-05-13

瀏覽量:2580

產品介紹

Ophir SP402S激光光束分析儀描述:

數據表 BeamGage數據表 圖紙

Ophir SP402S USB接口大尺寸格式(成像區域達4512 × 4512像素)CMOS傳感器激光光束分析儀(適用于190 - 1100 nm波長范圍,具備最高分辨率)

這是一款配備全局快門(Global Shutter)技術的USB 3.1 CMOS相機,具備高分辨率和大尺寸傳感器。

采用1.1英寸大尺寸傳感器

擁有4512 x 4512像素的高分辨率,像素間距為2.74微米,確保成像清晰細膩。

配備USB 3.1通信接口,實現高速數據傳輸。

隨附BeamGage Standard或Professional軟件,提供圖像分析和處理功能。

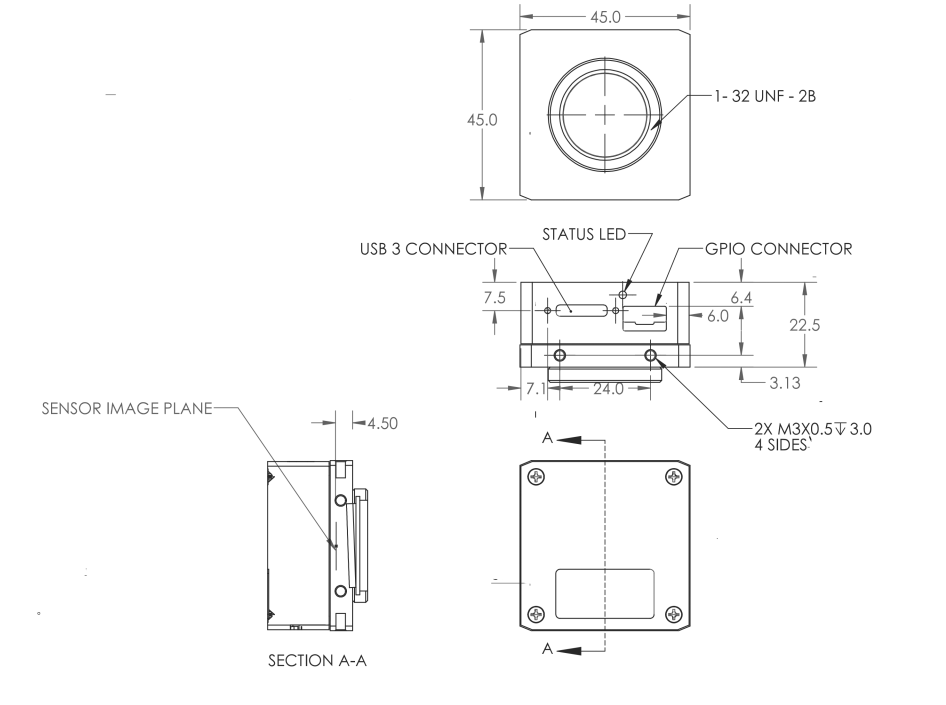
圖紙

Ophir SP402S激光光束分析儀

SP402S 圖紙

規格

產品名稱 SP402S
光譜范圍 190-1100 nm
光束尺寸 27μm to 12.3 mm
通信接口 USB 3.1
傳感器類型 Silicon CMOS, Back Illuminated
兼容的光源 CW, Pulsed
有效面積 12.3 X 12.3 mm
CCD凹槽 4.5mm
元件 4512 x 4512
有效像素間距 2.74μm
動態范圍 67 dB
全分辨率幀率 11 fps
CE 符合性 Yes
UKCA 符合性 Yes
中國 RoHS 符合性 Yes

咨詢微信客服

咨詢微信客服

QQ在線客服

客服熱線:

0I0-52867771
I3811111452
I7896005796

技術支持

I7896005796
收起

掃一掃,關注官方賬號

掃一掃,關注官方賬號

010-52867771

在線客服