亚洲成人国产I亚洲丝袜中文I黄色网大全I天天操天天射天天添I午夜av影院I成年一级片

產品中心

Products

當前位置:首頁>產品中心>光學儀器>以色列Ophir>

Pyrocam IV 光束分析相機

更新時間:2025-03-13

瀏覽量:3231

  • 品牌:OPHIR
  • 型號:Pyrocam IV
  • 描述:Pyrocam 相機使用其寬帶陣列準確捕獲和分析 13nm - 355nm 和 1.06-3000μm 的波長。它具有固態高分辨率陣列,具有寬動態范圍、快速數據捕獲率,并以 CW 或脈沖模式運行,這使...
  • 在線訂購
  • 微信咨詢

    QQ咨詢

    在線客服

產品介紹

Pyrocam IV 光束分析相機性能特點

Pyrocam 相機使用其寬帶陣列準確捕獲和分析 13nm - 355nm 和 1.06-3000μm 的波長。它具有固態高分辨率陣列,具有寬動態范圍、快速數據捕獲率,并以 CW 或脈沖模式運行,這使其成為分析 NIR、CO2 和 THz 源的理想選擇。

  1. 高分辨率 80μm 像素間距

  2. CW 光束集成斬波器

  3. 適用于各種應用的可互換窗口

  4. 包含 BeamGage 專業軟件

  5. 帶 BeamGage 的第 4 代高分辨率寬帶熱釋電陣列相機

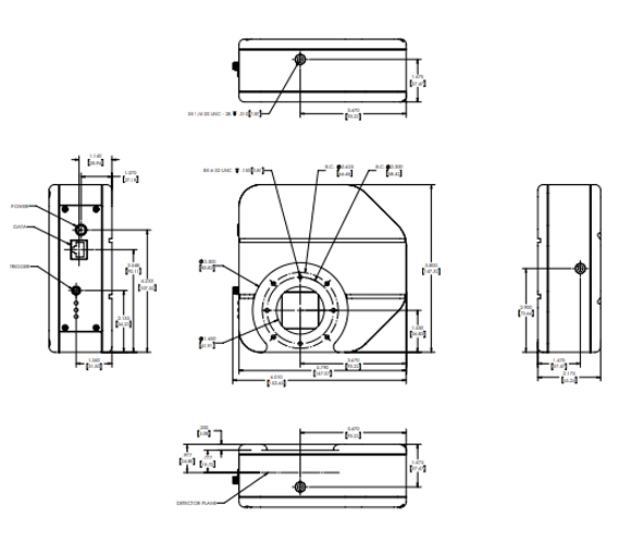
Pyrocam IV 光束分析相機圖紙

Pyrocam IV 光束分析相機規格

波長 13-355nm, 1.06-3000μm
光束尺寸 1600μm - 25.4mm
界面 千兆以太網
傳感器類型 熱釋電陣列
兼容光源 CW,脈沖
活動區域 25.6 毫米 x 25.6 毫米
元素 320 × 320
有效像素間距 80微米
動態范圍 60分貝
全分辨率幀率 100 幀/秒
遵守 CE、UKCA、中國 RoHS

Pyrocam IV 光束分析相機 FAQ

相機前端到傳感器的距離是多少?

傳感器以 19.7mm 為中心,但是,如果其放置精度至關重要,可根據要求提供測量值。

PY IV相機的飽和度是多少?

Pyrocam IV 在斬波模式下的飽和功率為 3.0W/cm2 (25Hz) 和 4.5W/cm2 (50Hz),脈沖模式下的飽和能量為 15mJ/cm2。

Pyrocam IV 在什么波長下響應快?

Pyrocam IV 的幀率是多少?

25/50Hz 斬波模式,SS-100Hz 連續脈沖模式,高達 1kHz 非連續脈沖模式

BeamGage 規格表中列出的有效幀速率是實際使用中通常可達到的極大速率。幀緩沖、圖像處理技術、圖形顯示和數學計算都會增加一定程度的開銷以實現更高的幀速率。這可能會受到可用 PC 硬件的進一步限制。BeamGage 具有兩種模式,幀優先級和結果優先級,它們改變了系統平衡工作的方式。結果優先獲取一個幀,執行任何啟用的圖像處理,執行所有計算并在接受來自相機的另一個幀之前更新圖形顯示。當不需要幀的時間序列并且在記錄時應始終啟用時,此模式很有用。如果在這些操作完成之前從相機準備好另一幀,幀優先模式將允許中斷計算和圖形顯示更新。當需要以極大相機幀速率收集所有幀時,這可能很有用。

我可以使用 Pyrocam IV 測量哪些光束尺寸?

1.6mm - 25.1mm 準確的極小光束尺寸由相機的像素尺寸得出。為了獲得準確的測量,像素必須有足夠的覆蓋范圍,以確保照亮另一個像素不會過度夸大光束大小。

咨詢微信客服

咨詢微信客服

QQ在線客服

客服熱線:

0I0-52867771
I3811111452
I7896005796

技術支持

I7896005796
收起

掃一掃,關注官方賬號

掃一掃,關注官方賬號

010-52867771

在線客服