亚洲成人国产I亚洲丝袜中文I黄色网大全I天天操天天射天天添I午夜av影院I成年一级片

產品中心

Products

當前位置:首頁>產品中心>光學儀器>以色列Ophir>

PE50U-DIFH-C 7Z02957熱釋電能量計

更新時間:2025-03-13

瀏覽量:2214

  • 品牌:Ophir
  • 型號:PE50U-DIFH-C
  • 描述:PE50U-DIFH-C是一種熱釋電能量計,具有用于集中光束的高損傷閾值擴散器。它的孔徑為35mm,可以測量從100μJ到10J的能量。對于ms脈沖,其損傷閾值為90J/cm2。它可以在高達10kHz...
  • 在線訂購
  • 微信咨詢

    QQ咨詢

    在線客服

產品介紹

PE50U-DIFH-C 7Z02957熱釋電能量計描述:

PE50U-DIFH-C是一種熱釋電能量計,具有用于集中光束的高損傷閾值擴散器。它的孔徑為35mm,可以測量從100μJ到10J的能量。對于ms脈沖,其損傷閾值為90J/cm2。它可以在高達10kHz的重復頻率下工作,覆蓋0.19-2.2.94μm的光譜范圍。傳感器配有一根標準的1.5米電纜,用于連接儀表或PC接口。

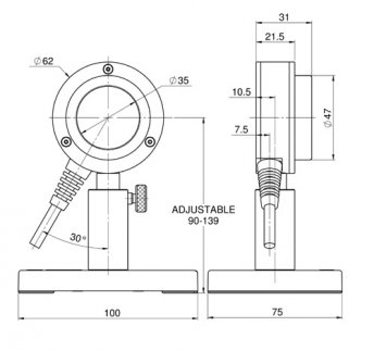
PE50U-DIFH-C 7Z02957熱釋電能量計圖紙:

PE50U-DIFH-C 圖紙

PE50U-DIFH-C 7Z02957熱釋電能量計規格:

吸收器類型 金屬材質,帶擴散器
光圈 ?35mm
光譜范圍 0.19-2.2μm, 2.94μm
能量范圍 100μJ-10J
最高頻率 10,000Hz
尺寸 ?62 W x 31 D (mm)
最大脈沖能量 10J
最大平均功率密度 200W/cm2
最大脈沖寬度 5 ms
損傷閾值(小于100ns) 2J/cm2
傷害閾值(持續2ms) 90J/cm2
最大平均功率 25W

咨詢微信客服

咨詢微信客服

QQ在線客服

客服熱線:

0I0-52867771
I3811111452
I7896005796

技術支持

I7896005796
收起

掃一掃,關注官方賬號

掃一掃,關注官方賬號

010-52867771

在線客服