亚洲成人国产I亚洲丝袜中文I黄色网大全I天天操天天射天天添I午夜av影院I成年一级片

產品中心

Products

當前位置:首頁>產品中心>光學儀器>以色列Ophir>

PE50BF-DIF-C 7Z02940熱釋電能量計

更新時間:2025-03-13

瀏覽量:2495

  • 品牌:Ophir
  • 型號:PE50BF-DIF-C
  • 描述:PE50BF-DIF-C是一款熱釋電能量計,針對聚焦光斑配備一個散射片。具有35mm孔徑,能量測量范圍為200μJ - 10J。可在高至250Hz的重復頻率下工作,光譜覆蓋范圍為0.19 - 2.2μ...
  • 在線訂購
  • 微信咨詢

    QQ咨詢

    在線客服

產品介紹

PE50BF-DIF-C 7Z02940熱釋電能量計描述:

PE50BF-DIF-C是一款熱釋電能量計,針對聚焦光斑配備一個散射片。具有35mm孔徑,能量測量范圍為200μJ - 10J。可在高至250Hz的重復頻率下工作,光譜覆蓋范圍為0.19 - 2.2μm及 2.94μm。該傳感器配備一根標準1.5米電纜,用于連接至一個主機或PC接口。

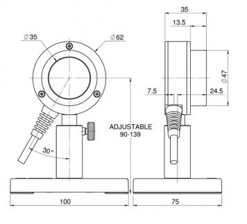
PE50BF-DIF-C 7Z02940熱釋電能量計圖紙:

PE50BF-DIF-C 圖紙

PE50BF-DIF-C 7Z02940熱釋電能量計規格:

吸收器類型 BF with diffuser
光圈 ?35mm
光譜范圍 0.19-2.2μm, 2.94μm
能量范圍 200μJ-10J
最高頻率 250Hz
尺寸 ?62 W x 35 D (mm)
最大脈沖能量 10J
最大平均功率密度 200W/cm2
最大脈沖寬度 20 ms
損傷閾值(小于100ns) 4J/cm2
傷害閾值(持續2ms) 60J/cm2
最大平均功率 25W

咨詢微信客服

咨詢微信客服

QQ在線客服

客服熱線:

0I0-52867771
I3811111452
I7896005796

技術支持

I7896005796
收起

掃一掃,關注官方賬號

掃一掃,關注官方賬號

010-52867771

在線客服