亚洲成人国产I亚洲丝袜中文I黄色网大全I天天操天天射天天添I午夜av影院I成年一级片

產品中心

Products

當前位置:首頁>產品中心>光學儀器>以色列Ophir>

PE100BF-DIF-C 7Z02942大孔徑熱釋電能量計

更新時間:2025-03-13

瀏覽量:3042

  • 品牌:Ophir
  • 型號:PE100BF-DIF-C
  • 描述:PE100BF-DIF-C是一款大孔徑熱釋電能量計,配備一個可拆卸式散射片。未裝配散射片時的孔徑為96mm,裝配散射片時的孔徑為85mm。其能量測量范圍為0.4mJ - 40J??稍诟咧?00Hz的重...
  • 在線訂購
  • 微信咨詢

    QQ咨詢

    在線客服

產品介紹

PE100BF-DIF-C 7Z02942大孔徑熱釋電能量計描述:

PE100BF-DIF-C是一款大孔徑熱釋電能量計,配備一個可拆卸式散射片。未裝配散射片時的孔徑為96mm,裝配散射片時的孔徑為85mm。其能量測量范圍為0.4mJ - 40J??稍诟咧?00Hz的重復頻率下工作,針對0.532、1.064和1.55μm進行標定。該傳感器配備一根標準1.5米電纜,用于連接至主機或PC接口。

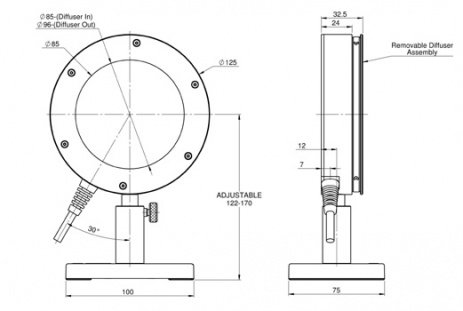
PE100BF-DIF-C 7Z02942大孔徑熱釋電能量計圖紙:

PE100BF-DIF-C 圖紙

PE100BF-DIF-C 7Z02942大孔徑熱釋電能量計規格:

吸收器類型 BF帶可拆卸擴散器
光圈 ?96mm, ?85mm帶擴散器
光譜范圍 0.15-3μm, 0.4-2.5μm帶擴散器
能量范圍 400μJ – 40J
最高頻率 200Hz
尺寸 ?125 W x 33 D (mm)
最大脈沖能量 40J
最大平均功率密度 20W/cm2
最大脈沖寬度 20 ms
損傷閾值(小于100ns) 0.8J/cm2
傷害閾值(持續2ms) 10J/cm2
最大平均功率 25W

咨詢微信客服

咨詢微信客服

QQ在線客服

客服熱線:

0I0-52867771
I3811111452
I7896005796

技術支持

I7896005796
收起

掃一掃,關注官方賬號

掃一掃,關注官方賬號

010-52867771

在線客服