亚洲成人国产I亚洲丝袜中文I黄色网大全I天天操天天射天天添I午夜av影院I成年一级片

產品中心

Products

當前位置:首頁>產品中心>光學儀器>以色列Ophir>

NanoScan 2s Si/3.5/1.8小光束掃描狹縫輪廓儀

更新時間:2025-03-13

瀏覽量:1955

  • 品牌:OPHIR
  • 型號:NanoScan 2s Si/3.5/1.8
  • 描述:這種 NanoScan 掃描狹縫分析系統使用其硅檢測器準確捕獲和分析 190nm - 1100nm 的波長。它具有適用于小光束的狹縫尺寸、接近實時的數據捕獲率、可選的功率測量功能,并以 CW 或 kH...
  • 在線訂購
  • 微信咨詢

    QQ咨詢

    在線客服

產品介紹

NanoScan 2s Si/3.5/1.8性能特點

用戶手冊

  1. 光束尺寸為 7μm 至 ~2.3mm

  2. ~10nW 至~10W 的功率水平

  3. USB 2.0 接口

  4. 包含 NanoScan Standard 或 Professional 軟件

  5. 小光束掃描狹縫輪廓儀:硅探測器,3.5mm 孔徑,1.8μm 狹縫

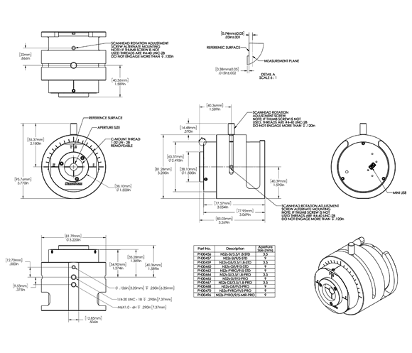
NanoScan 2s Si/3.5/1.8圖紙

NanoScan 2s Si/3.5/1.8規格

波長 190-1100nm
光束尺寸 7μm - 2.3mm
界面 USB 2.0
傳感器類型
兼容光源 CW,脈沖 >25kHz
功率范圍 ~10nW - ~10W
狹縫尺寸 1.8微米
光圈大小 3.5毫米
掃描頭尺寸 83mm
遵守 CE、UKCA、中國 RoHS

NanoScan 2s Si/3.5/1.8 FAQ

NanoScan 中的檢測器在哪里?

檢測器安裝在旋轉狹縫后面的 NanoScan 內部。這個位置對測量并不重要。測量平面是狹縫的掃描平面,標稱距離 NanoScan 正面的參考表面 0.74 毫米 +/-0.025 毫米。請參閱 NanoScan 操作手冊附錄 B 中的機械圖。

為什么不推薦將硅 NanoScan 用于 1064nm 光束測量?

硅檢測器對 >1000nm 的 NIR 光非常透明。如果用它來測量這些光束,您通常會看到拖尾輪廓,因為信號衰減得不夠快。這將導致錯誤的結果。我們建議使用鍺,或者如果有足夠的功率,則使用熱釋電檢測器來檢測這些波長。

設置 NanoScan 輪廓儀并獲取光束后,輪廓會來回跳動。

這通常是由自動 ROI 選擇引起的。獲取光束后,您應該在 ROIs 菜單中取消選中自動 ROI,光束應該穩定下來。

NanoScan 狹縫不會衍射光束嗎?

是的,但由于 NanoScan 測量檢測器上的所有光作為狹縫位置的函數,因此這不會影響測量結果。

我可以靠近 NanoScan V2 的前端嗎,因為它有一個新的 C-Mount 適配器環?

NanoScan V2 產品非常適合查看聚焦點,但有時前面的 C 型安裝環會機械地擋住視線。通過卸下三個固定螺釘,您可以卸下這個環,這樣您就可以在機械上更靠近 NanoScan V2 的前部。卸下這些螺釘和環時應小心,以免有東西掉入 NanoScan V2 的輸入孔內。建議如果您要卸下 C-Mount 環,請將 NanoScan V2 倒轉,使其正對著地板,然后卸下螺絲和 C-Mount 環,讓重力對您有利,然后拉動它們遠離輸入孔徑。

我的 NanoScan 系統給我一個錯誤,提示“所選速度無法設置在 0.01% 以內!” 這是什么意思?

這意味著電機無法將轉速設置在 0.01% 的精度內。這通常意味著電機磨損,或者某些原因導致電機無法以恒定速度旋轉。這通常需要系統返回工廠進行檢查和維修。

這也可能意味著您運行了錯誤的軟件。如果 NanoScan 頭部沒有 Mini USB 連接,則不應在 NanoScan 2.4.X 軟件上運行。它應該在版本 2.1 SR1 軟件上運行。

可以從同一臺 PC 運行多個 NanoScan,還是可以連接多個 NanoScan 并選擇要運行的一個?

實際上,NanoScan 軟件一次只能運行一個 NanoScan。如果您確實連接了多個 NanoScan,則只有一個會被識別并能夠運行,其他的將無法選擇。

咨詢微信客服

咨詢微信客服

QQ在線客服

客服熱線:

0I0-52867771
I3811111452
I7896005796

技術支持

I7896005796
收起

掃一掃,關注官方賬號

掃一掃,關注官方賬號

010-52867771

在線客服