亚洲成人国产I亚洲丝袜中文I黄色网大全I天天操天天射天天添I午夜av影院I成年一级片

產品中心

Products

當前位置:首頁>產品中心>光學儀器>以色列Ophir>

LT665 光束分析相機

更新時間:2025-03-13

瀏覽量:2629

產品介紹

LT665 光束分析相機功能特性

用戶手冊

  1. 2752x2192 像素分辨率,4.4μm 像素間距

  2. 可調增益水平和可編程電子快門

  3. 包含 BeamGage Standard 或 Professional 軟件

  4. 帶 BeamGage 的 USB 3.0 大幅面硅 CCD 高分辨率相機

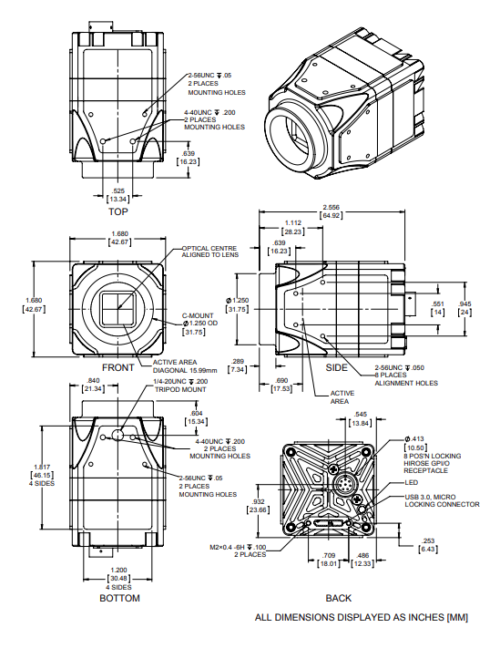
LT665 光束分析相機圖紙

LT665 光束分析相機規格

波長 190-1100nm
光束尺寸 46μm - 9.9mm
界面 USB 3.0
傳感器類型 硅CCD
兼容光源 CW,脈沖
活動區域 12.5 毫米 x 10.0 毫米
元素 2752 x 2192
有效像素間距 4.54μm
動態范圍 54分貝
全分辨率幀率 27 幀/秒
遵守 CE、UKCA、中國 RoHS

LT665 光束分析相機常問問題

相機前端到傳感器的距離是多少?

這款 C 接口標準相機的傳感器深度從相機正面到傳感器為 17.5 毫米。

LT665 相機的飽和度是多少?

LT665 的飽和強度為 1.3μW/cm2

LT665 在什么波長下響應個更快?
LT665的幀率是多少?

27 幀/秒

我可以使用 LT665 測量哪些光束尺寸?

46μm - 9.9mm

咨詢微信客服

咨詢微信客服

QQ在線客服

客服熱線:

0I0-52867771
I3811111452
I7896005796

技術支持

I7896005796
收起

掃一掃,關注官方賬號

掃一掃,關注官方賬號

010-52867771

在線客服