亚洲成人国产I亚洲丝袜中文I黄色网大全I天天操天天射天天添I午夜av影院I成年一级片

產品中心

Products

當前位置:首頁>產品中心>光學儀器>以色列Ophir>

L40(250)A-LP2-50 7Z02794熱電堆功率/能量激光測量探頭

更新時間:2025-03-13

瀏覽量:2073

  • 品牌:Ophir
  • 型號:L40(250)A-LP2-50
  • 描述:L40(250)A-LP2-50是一款用于高功率密度和長脈沖激光的熱電堆功率/能量激光測量探頭。其孔徑為50mm,可連續測量300mW至40W的功率,以及間歇測量250W的功率。可測量 100mJ 至...
  • 在線訂購
  • 微信咨詢

    QQ咨詢

    在線客服

產品介紹

L40(250)A-LP2-50 7Z02794熱電堆功率/能量激光測量探頭描述:

L40(250)A-LP2-50是一款用于高功率密度和長脈沖激光的熱電堆功率/能量激光測量探頭。其孔徑為50mm,可連續測量300mW至40W的功率,以及間歇測量250W的功率。可測量 100mJ 至 10,000J的能源。該探頭可測量曝光時間再0.3-2s的激光器能量,從而測量高達10kW的大功率激光器。其高損傷閾值LP2涂層可覆蓋0.25至2.2μm以及2.94μm的光譜范圍。探頭配有1.5米長的標準電纜,用于連接儀表或PC適配器。

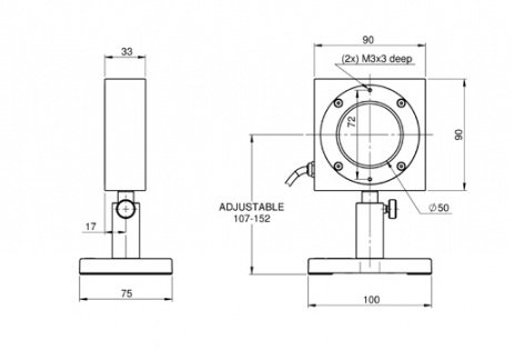
L40(250)A-LP2-50 7Z02794熱電堆功率/能量激光測量探頭圖紙:

L40(250)A-LP2-50 圖紙

L40(250)A-LP2-50 7Z02794熱電堆功率/能量激光測量探頭規格:

吸收器類型 LP2
光圈 ?50mm
光譜范圍 0.25-2.2μm, 2.94 μm
功率范圍 300mW-250W
能量范圍 100mJ-10,000J
尺寸 90 L x 90 W x 33 D (mm)
最大脈沖能量 10,000J
最大平均功率密度 20kW/cm2
響應時間 2.5 s
最大能量密度(小于100ns) 0.1J/cm2
最大能量密度(2ms) 130J/cm2
最大平均功率 250W

咨詢微信客服

咨詢微信客服

QQ在線客服

客服熱線:

0I0-52867771
I3811111452
I7896005796

技術支持

I7896005796
收起

掃一掃,關注官方賬號

掃一掃,關注官方賬號

010-52867771

在線客服