亚洲成人国产I亚洲丝袜中文I黄色网大全I天天操天天射天天添I午夜av影院I成年一级片

產品中心

Products

當前位置:首頁>產品中心>光學儀器>以色列Ophir>

FL600A-BB-65 P/N7Z02762 激光測量傳感器

更新時間:2025-03-13

瀏覽量:1471

  • 品牌:Ophir
  • 型號:FL600A-BB-65
  • 描述:FL600A-BB-65是一款通用型風扇冷卻式熱功率/能量激光測量傳感器,具有65mm孔徑。其功率測量范圍是500mW~600W,能量測量范圍是600mJ~600J。其具有頻譜平坦的寬帶涂層,頻譜覆蓋...
  • 在線訂購
  • 微信咨詢

    QQ咨詢

    在線客服

產品介紹

FL600A-BB-65 P/N7Z02762 激光測量傳感器概述:

FL600A-BB-65是一款通用型風扇冷卻式熱功率/能量激光測量傳感器,具有65mm孔徑。其功率測量范圍是500mW~600W,能量測量范圍是600mJ~600J。其具有頻譜平坦的寬帶涂層,頻譜覆蓋范圍為0.19~20μm。該傳感器配備一根標準1.5米電纜,用于連接至一個表頭或PC接口。

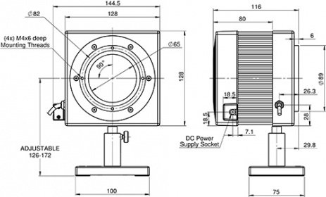
FL600A-BB-65 P/N7Z02762 激光測量傳感器圖紙:

FL600A-BB-65 圖紙

FL600A-BB-65 P/N7Z02762 激光測量傳感器規格:

吸收器類型 Broadband
光圈 ?65mm
光譜范圍 0.19-11μm
功率范圍 5W-600W
能量范圍 600mJ-600J
背散射功率 N.A.
尺寸 128 L x 128 W x 116 D (mm)
最大脈沖能量 600J
最大平均功率密度 7kW/cm2
響應時間 4 s
最大能量密度 (<100ns) 0.3J/cm2
最大能量密度 (2ms) 10J/cm2
最大平均功率 600W
BeamTrack功能 N.A.

咨詢微信客服

咨詢微信客服

QQ在線客服

客服熱線:

0I0-52867771
I3811111452
I7896005796

技術支持

I7896005796
收起

掃一掃,關注官方賬號

掃一掃,關注官方賬號

010-52867771

在線客服