亚洲成人国产I亚洲丝袜中文I黄色网大全I天天操天天射天天添I午夜av影院I成年一级片

產品中心

Products

當前位置:首頁>產品中心>光學儀器>以色列Ophir>

FL250A-BB-50-PPS P/N7Z07902 激光測量傳感器

更新時間:2025-03-13

瀏覽量:1885

  • 品牌:Ophir
  • 型號:FL250A-BB-50-PPS
  • 描述:BeamTrack系列FL250A-BB-50-PPS激光測量傳感器可以測量激光光束的大小、位置、功率和能量。孔徑為50mm,測量激光光束大小、位置時,精度分別可達5%和0.2mm。其功率測量范圍是1...
  • 在線訂購
  • 微信咨詢

    QQ咨詢

    在線客服

產品介紹

FL250A-BB-50-PPS P/N7Z07902 激光測量傳感器概述:

BeamTrack系列FL250A-BB-50-PPS激光測量傳感器可以測量激光光束的大小、位置、功率和能量。孔徑為50mm,測量激光光束大小、位置時,精度分別可達5%和0.2mm。其功率測量范圍是150mW~250W,能量測量范圍是80mJ~300J。其具有頻譜平坦的寬帶涂層,頻譜覆蓋范圍為0.19~20μm。

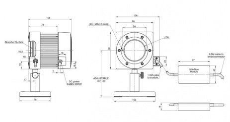
FL250A-BB-50-PPS P/N7Z07902 激光測量傳感器圖紙:

FL250A-BB-50-PPS 圖紙

FL250A-BB-50-PPS P/N7Z07902 激光測量傳感器規格:

吸收器類型 寬帶
光圈 ?50mm
光譜范圍 0.19-20μm
功率范圍 150mW-250W
能量范圍 80mJ-300J
背散射功率 N.A.
尺寸 90 L x 90 W x 105 D (mm)
最大脈沖能量 300J
最大平均功率密度 10kW/cm2
響應時間 2.8 s
最大能量密度 (<100ns) 0.3J/cm2
最大能量密度 (2ms) 10J/cm2
最大平均功率 250W
BeamTrack功能 電力/能源/位置/尺寸

咨詢微信客服

咨詢微信客服

QQ在線客服

客服熱線:

0I0-52867771
I3811111452
I7896005796

技術支持

I7896005796
收起

掃一掃,關注官方賬號

掃一掃,關注官方賬號

010-52867771

在線客服