亚洲成人国产I亚洲丝袜中文I黄色网大全I天天操天天射天天添I午夜av影院I成年一级片

產品中心

Products

當前位置:首頁>產品中心>測試儀器>美國Uniblitz>

Uniblitz D880C 快門驅動器

更新時間:2025-03-13

瀏覽量:2453

  • 品牌:Uniblitz
  • 型號:D880C
  • 描述:Uniblitz D880C 是一款開放式、單穩態快門驅動器,采用恒流控制,與標準電容式放電類型相比,它已被證明可以延長快門壽命。當與大量 Uniblitz 快門配對時,它非常適合集成到 OEM 應用...
  • 在線訂購
  • 微信咨詢

    QQ咨詢

    在線客服

產品介紹

Uniblitz D880C 快門驅動器描述:

產品手冊 數據表

Uniblitz D880C 是一款開放式、單穩態快門驅動器,采用恒流控制,與標準電容式放電類型相比,它已被證明可以延長快門壽命。當與大量 Uniblitz 快門配對時,它非常適合集成到 OEM 應用程序中(所有兼容的快門設備都需要“E”選項(“用于 VED24 或 D880C”)才能與 D880C 一起正確操作)。

通過可插拔的輸入/輸出螺絲端子連接器與 D880C 進行簡單的外部連接。這使得 D880C 能夠快速連接/斷開,而無需移除連接到接線端子的任何電線。

D880C 的控制要求用戶為觸發輸入提供 TTL (5V) 邏輯電平,或在觸發輸入和 +6.75 VDC 之間連接機械或電子開關。

產品規格

重復曝光 曝光之間的最短時間由使用的快門和打開關閉脈沖持續時間決定。
快門驅動 在最大運行速率下,從 DC 到快門的連續可變曝光頻率。
脈沖電流:1.2A
保持電流:300mA
常規 尺寸 (HWD) 25.4 x 81.2 x 101.0 毫米(1.00 x 3.20 x 4.00 英寸)
重量 3.00 盎司(0.09 千克)
電源輸入:+24VDC,1.5A(用戶提供)
符合 RoHS 標準

快門兼容性

VS LS CS DSS TS NS XRS
VS14 系列1 LS2 系列1 CS25 系列1 XRS6 系列1
VS25 系列1 LS3 系列1 CS35 系列1 XRS14 系列1
VS35 系列1 LS6 系列1 CS45 系列1 XRS25 系列1, 2
CS65 系列1
CS90 系列1

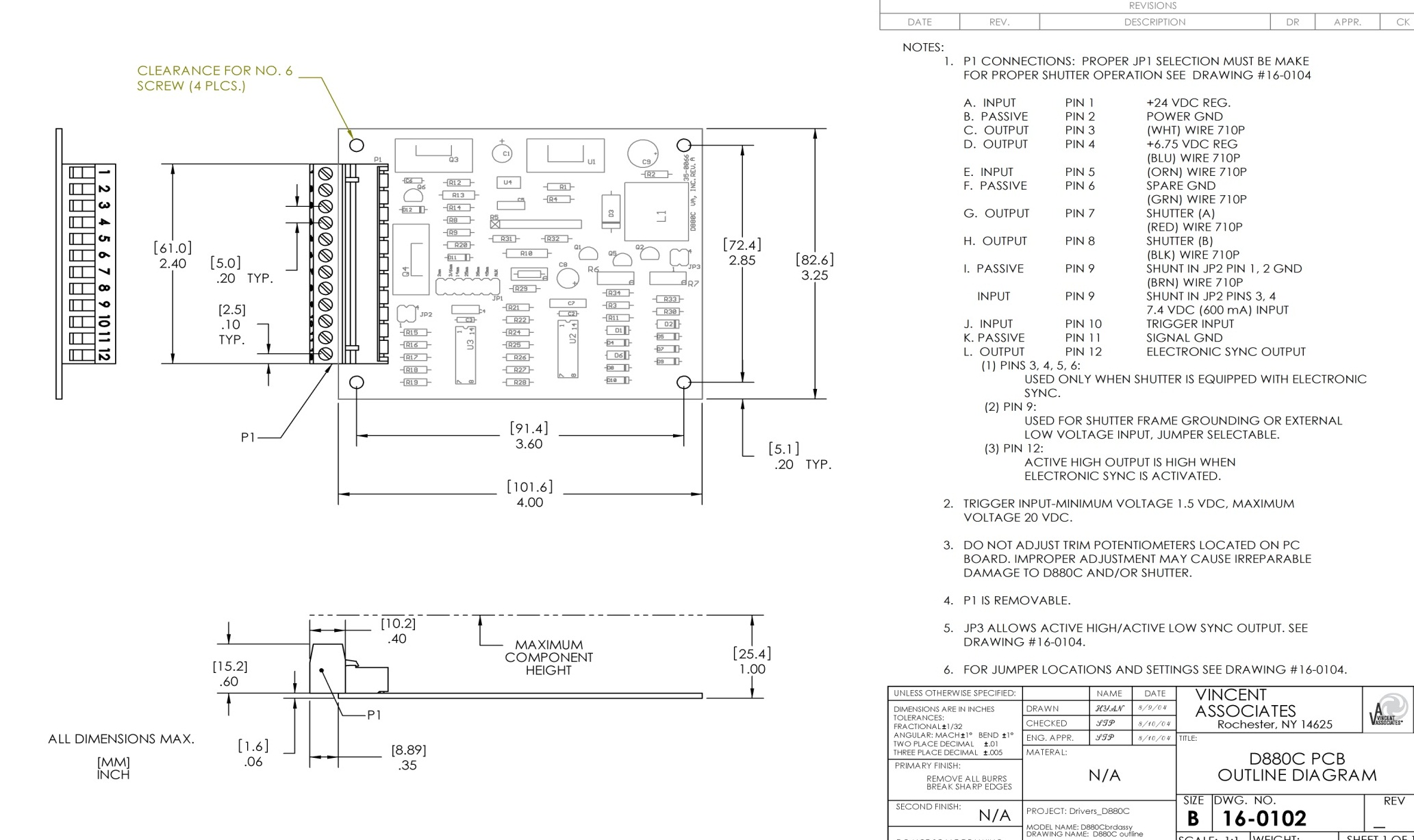
電路板機械布局

P1 連接
引腳 1 輸入 +24 VDC(穩壓)
引腳 2
被動 電源接地
引腳 3 輸出 同步控制;710P 白線
引腳 4 輸出 +6.75 VDC(穩壓);710P 藍線
引腳 5 輸入 同步控制;710P 的橙色線
引腳 6 被動 同步接地;710P 綠線
引腳 7 輸出 快門 (A);710P紅線
引腳 8 輸出 快門 (B);710P 黑線
引腳 9 被動 JP2 引腳 1,2 分流時接地;710P/輸入的棕色線:JP2 引腳 3,4 分流時為 7.4 VDC (600 mA)
引腳 10 輸入 觸發器輸入
引腳 11 被動 信號接地
引腳 12 輸出 電子同步輸出

注:

P1 連接:必須進行正確的 JP1 選擇才能正確操作快門。請參閱下面的“跳線選擇”。

引腳 3、4、5、6:僅在快門配備電子同步時使用。

引腳 9:用于快門框接地或外部低電壓輸入,跳線可選。

引腳 12:當電子同步激活時,高電平有效或低電平有效輸出,跳線可選。

引腳 10:觸發輸入:最小電壓 1.5 VDC,最大電壓 20 VDC,僅限高電平有效。P1 插頭可拆卸。

跳線選擇

咨詢微信客服

咨詢微信客服

QQ在線客服

客服熱線:

0I0-52867771
I3811111452
I7896005796

技術支持

I7896005796
收起

掃一掃,關注官方賬號

掃一掃,關注官方賬號

010-52867771

在線客服