亚洲成人国产I亚洲丝袜中文I黄色网大全I天天操天天射天天添I午夜av影院I成年一级片

產品中心

Products

當前位置:首頁>產品中心>光學儀器>以色列Ophir>

BeamWatch 集成 150光束表征系統

更新時間:2025-03-13

瀏覽量:1966

產品介紹

BeamWatch 集成 150光束表征系統性能:

BeamWatch Integrated 是一款全自動激光測量系統,旨在集成工業生產線上關鍵激光束參數的測量。基于 BeamWatch 非接觸式分析原理,BeamWatch Integrated 實時提供所有關鍵激光束參數的非接觸式同步測量,而其內置功率計提供絕對功率讀數。

  1. 光束表征系統

  2. 支持多模激光器

  3. 全自動化操作

  4. 好/壞信號的趨勢分析

  5. 帶時間戳的詳細報告

  6. 無需更改測量系統即可使用不同類型的焊頭

  7. 堅固耐用,適用于工業生產環境

  8. 輪班操作期間頻繁測量的測量時間短

  9. 用于自動化制造的光束表征系統

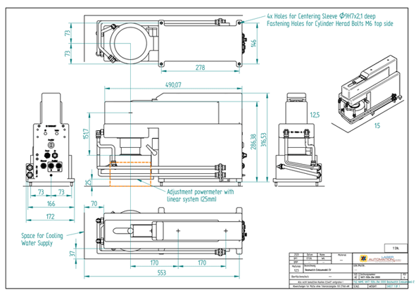
BeamWatch 集成 150光束表征系統圖紙

BeamWatch 集成 150光束表征系統規格

波長 980-1080 納米
功率范圍 500 W – 9999 W(根據要求高達 30 kW)
光束分析 ISO 11146 測量
功率計 NIST 溯源校準 ±3 %
出入口最大光束直徑 12.5 毫米
界面 GigE、PROFINET、以太網/IP、CC-Link
遵守 CE、UKCA、中國 RoHS

咨詢微信客服

咨詢微信客服

QQ在線客服

客服熱線:

0I0-52867771
I3811111452
I7896005796

技術支持

I7896005796
收起

掃一掃,關注官方賬號

掃一掃,關注官方賬號

010-52867771

在線客服