亚洲成人国产I亚洲丝袜中文I黄色网大全I天天操天天射天天添I午夜av影院I成年一级片

產品中心

Products

當前位置:首頁>產品中心>光學儀器>以色列Ophir>

3A-P-FS-12 7Z02687 激光測量傳感器

更新時間:2025-03-13

瀏覽量:2088

  • 品牌:OPHIR
  • 型號:3A-P-FS-12
  • 描述:3A-P-FS-12 是一種很靈敏的熱功率/能量激光測量傳感器,用于發散光束,并具有熔融石英窗口。它有一個 12mm 的孔徑,可以測量 15μW 到 3W 和 20μJ 到 2J 的功率。其 P 型吸...
  • 在線訂購
  • 微信咨詢

    QQ咨詢

    在線客服

產品介紹

3A-P-FS-12 激光測量傳感器概述:

3A-P-FS-12 是一種很靈敏的熱功率/能量激光測量傳感器,用于發散光束,并具有熔融石英窗口。它有一個 12mm 的孔徑,可以測量 15μW 到 3W 和 20μJ 到 2J 的功率。其 P 型吸收體光譜平坦,覆蓋 0.22 至 2.1μm 的光譜范圍。該傳感器帶有一根 1.5 米長的電纜,用于連接到儀表或 PC 接口。

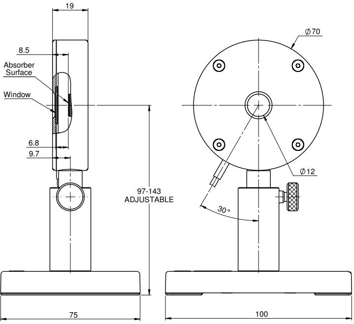
3A-P-FS-12 傳感器圖紙:

主要參數:

吸收器類型 P型+FS窗
光圈 ?12mm
光譜范圍 0.22 - 2.1μm
功率范圍 15μW - 3W
能量范圍 20μJ-2J
尺寸 ?70 寬 x 19 深(毫米)
最大脈沖能量 2J
最大平均功率密度 0.05kW/cm2
響應時間 2.5秒
最大能量密度(<100ns) 1焦/平方厘米
最大能量密度(2ms) 1焦/平方厘米
最大平均功率 3W

問題歸納:

可以使用 BeamTrack 傳感器測量脈沖激光的位置和大小嗎?

因為位置和大小與功率一起測量,所以如果激光以可以測量平均功率的速率發出脈沖,那么也可以測量位置和尺寸。

傷害閾值是否取決于功率水平?

熱傳感器的損壞閾值確實取決于功率水平,而不僅僅是功率密度,因為傳感器盤本身在高功率時會變得更熱。例如,Ophir 寬帶涂層的損壞閾值在 10 瓦時可能為50KW/cm2但在300W時僅為10KW/cm2。Ophir 的損壞閾值規格始終針對特定傳感器的最高使用功率給出。

光譜范圍越出校準波長范圍是什么意思?

規范開頭所述的光譜范圍表示傳感器可有效使用的波長范圍,即使未針對該范圍指定精確校準。這意味著在校準的波長范圍內,精度是指定和保證的。在更寬的有用波長范圍內,傳感器可用但不能保證精度。一般來說,在這個更寬的范圍內,精度將在 ±15% 以內。

咨詢微信客服

咨詢微信客服

QQ在線客服

客服熱線:

0I0-52867771
I3811111452
I7896005796

技術支持

I7896005796
收起

掃一掃,關注官方賬號

掃一掃,關注官方賬號

010-52867771

在線客服