亚洲成人国产I亚洲丝袜中文I黄色网大全I天天操天天射天天添I午夜av影院I成年一级片

產品中心

Products

當前位置:首頁>產品中心>光學儀器>以色列Ophir>

3A-IS 7Z02404 激光測量傳感器

更新時間:2025-03-13

瀏覽量:1905

  • 品牌:OPHIR
  • 型號:3A-IS
  • 描述:3A-IS 是積分球光電二極管激光測量傳感器,發散光束可達 +/-40 度。它有一個 12mm 的孔徑,可以測量 1μW 到 3W 的功率。它涵蓋了從 0.35 到 1.1μm 的光譜范圍。該傳感器帶...
  • 在線訂購
  • 微信咨詢

    QQ咨詢

    在線客服

產品介紹

3A-IS 積分球光電二極管激光測量傳感器概述:

3A-IS 是積分球光電二極管激光測量傳感器,發散光束可達 +/-40 度。它有一個 12mm 的孔徑,可以測量 1μW 到 3W 的功率。它涵蓋了從 0.35 到 1.1μm 的光譜范圍。該傳感器帶有一根 1.5 米長的電纜,用于連接到儀表或 PC 接口。

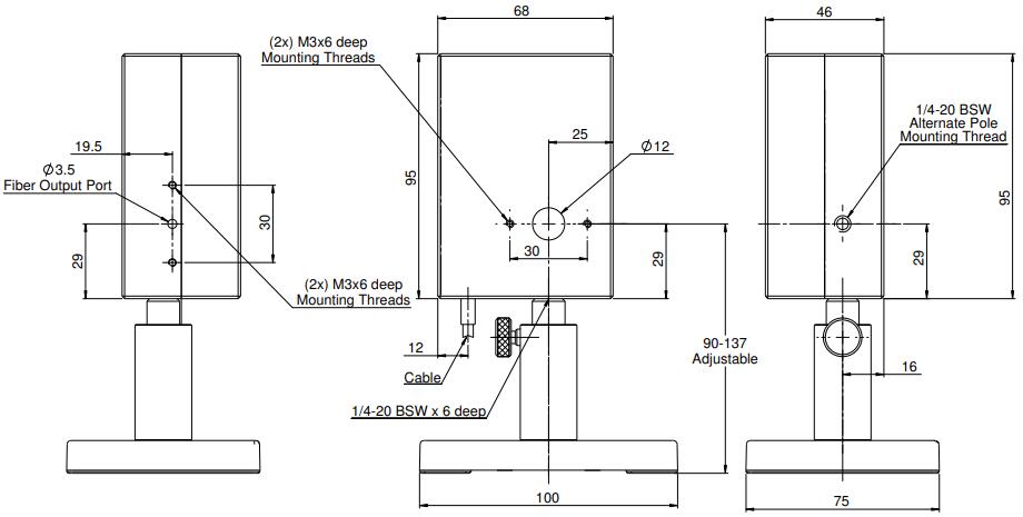
3A-IS 傳感器圖紙:

主要參數:

光圈 ?12mm
光譜范圍 350-1100nm
功率范圍 1μW-3W
尺寸 68 長 x 95 寬 x 46 深(毫米)
最大脈沖能量 100微焦
最大平均功率密度 0.2kw/cm2
響應時間 0.2秒
最大平均功率 3W

問題歸納:

積分球傳感器的穩定性是否有特殊問題?

Ophir 積分球傳感器 3A-IS 和 3A-IS-IRG 型在積分球內部有一層白色漫反射涂層。傳感器的靈敏度對涂層的反射率非常敏感。如果涂層吸收增加 1%,就會導致讀數發生 5% 的變化。因此,必須注意不要弄臟或損壞傳感器的白色涂層。此外,每年應對傳感器進行重新校準。

在使用光纖適配器時,如何處理與校準有關的光纖引起的功率損耗?

所有 Ophir 功率計,包括光電二極管功率計,在光纖針端和傳感器之間都有氣隙。在測量光纖發射到空氣中的功率,沒有考慮光纖中存在的任何反射損耗。因此,如果在實際使用中,光纖將無損耗地耦合到另一個元件,則應將損耗添加到讀數中(這些損失通常約為 4%)。

咨詢微信客服

咨詢微信客服

QQ在線客服

客服熱線:

0I0-52867771
I3811111452
I7896005796

技術支持

I7896005796
收起

掃一掃,關注官方賬號

掃一掃,關注官方賬號

010-52867771

在線客服