亚洲成人国产I亚洲丝袜中文I黄色网大全I天天操天天射天天添I午夜av影院I成年一级片

產品中心

Products

當前位置:首頁>產品中心>光學儀器>以色列Ophir>

150C-UAF OEM熱功率/能量激光測量傳感器

更新時間:2025-03-13

瀏覽量:2413

  • 品牌:Ophir
  • 型號:150C-UAF
  • 描述:150C-UAF是一款OEM熱功率/能量激光測量傳感器,具有18mm孔徑。獨立使用時的功率測量范圍為60mW - 5W,配合散熱器使用時的功率測量范圍高至60W。其能量測量范圍是20mJ~100J。其...
  • 在線訂購
  • 微信咨詢

    QQ咨詢

    在線客服

產品介紹

150C-UAF OEM熱功率/能量激光測量傳感器描述:

150C-UAF是一款OEM熱功率/能量激光測量傳感器,具有18mm孔徑。獨立使用時的功率測量范圍為60mW - 5W,配合散熱器使用時的功率測量范圍高至60W。其能量測量范圍是20mJ~100J。其具有頻譜平坦的寬帶涂層,頻譜覆蓋范圍為0.19~20μm。具有模擬和RS232輸出。

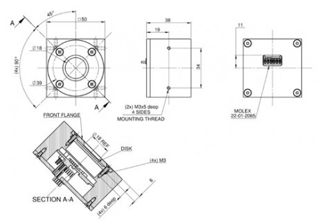
150C-UAF OEM熱功率/能量激光測量傳感器圖紙:

150C-UAF 圖紙

150C-UAF OEM熱功率/能量激光測量傳感器規格:

光圈 ?18mm
光譜范圍 0.19-20μm
功率范圍 60mW-150W
能量范圍 20mJ-100J
尺寸 50 L x 50 W x 38 D (mm)
最大平均功率密度 60W時為20kW/cm2
響應時間 1.2 s
最大能量密度(小于100ns) 0.3J/cm2
最大能量密度(2ms) 10J/cm2
最大平均功率 150W,獨立1分鐘
通信 RS232, 模擬

咨詢微信客服

咨詢微信客服

QQ在線客服

客服熱線:

0I0-52867771
I3811111452
I7896005796

技術支持

I7896005796
收起

掃一掃,關注官方賬號

掃一掃,關注官方賬號

010-52867771

在線客服