亚洲成人国产I亚洲丝袜中文I黄色网大全I天天操天天射天天添I午夜av影院I成年一级片

產品中心

Products

當前位置:首頁>產品中心>光學儀器>以色列Ophir>

10A-PPS 7Z07904激光測量傳感器

更新時間:2025-03-13

瀏覽量:2366

  • 品牌:OPHIR
  • 型號:10A-PPS
  • 描述:BeamTrack 系列 10A-PPS 激光測量傳感器測量激光束的大小和位置以及功率和能量。它有一個 16 毫米的孔徑,可以測量光束尺寸到 5% 的精度和位置到 0.1 毫米的精度。它測量的功率范圍...
  • 在線訂購
  • 微信咨詢

    QQ咨詢

    在線客服

產品介紹

10A-PPS 激光測量傳感器概述:

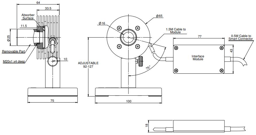
BeamTrack 系列 10A-PPS 激光測量傳感器測量激光束的大小和位置以及功率和能量。它有一個 16 毫米的孔徑,可以測量光束尺寸到 5% 的精度和位置到 0.1 毫米的精度。它測量的功率范圍為 20mW 至 10W,能量范圍為 6mJ 至 2J。該傳感器配有一根 1.5m 電纜,可將其連接到電子盒,另一根 0.5m 電纜可將電子盒連接到儀表或 PC 接口。

10A-PPS 傳感器圖紙:

主要參數:

吸收器類型 寬帶
光圈 ?16mm
光譜范圍 0.19 - 20μm
功率范圍 20mW-10W
能量范圍 6mJ-2J
尺寸 ?65 寬 x 34 深(毫米)
最大脈沖能量 2J
最大平均功率密度 28kW/cm2
響應時間 0.8 秒
最大能量密度(<100ns) 0.3焦耳/平方厘米
最大能量密度(2ms) 2焦耳/平方厘米
最大平均功率 10W

問題歸納:

在 PC 上將 BeamTrack 傳感器與 StarLab 一起使用時,可以使用 StarLab 記錄位置和尺寸數據嗎?采樣率是多少?

StarLab 可以記錄光束位置,Ophir 功率傳感器的功率測量值每秒記錄 15 次,當 BeamTrack 傳感器通過 Juno 連接到 StarLab 時,位置/尺寸測量值也會每秒記錄 15 次。當 BeamTrack 傳感器通過 Vega/Nova II 連接到 StarLab 時,位置/尺寸測量值每秒記錄一次。這是因為在 Vega / Nova II 中,對這些參數的采樣速度較慢。

可以使用 BeamTrack 傳感器測量脈沖激光的位置和大小嗎?

因為位置和大小與功率一起測量,所以如果激光以可以測量平均功率的速率發出脈沖,那么也可以測量位置和尺寸。

對于什么類型的激光點,可以使用 BeamTrack 傳感器測量位置和尺寸?

BeamTrack 傳感器可以測量任何光束形狀的位置,只有高斯 (TEM00) 光束的尺寸才能測量到指定精度,而對于其他激光模式,尺寸測量只是相對的。

必須僅將特定傳感器與訂購時使用的儀表一起使用嗎?

Ophir 儀表和傳感器是獨立校準的。每個儀表都具有與另一個儀表相同的靈敏度,誤差在百分之二左右。每個傳感器都獨立于特定儀表進行校準,其校準信息包含在 DB15 插頭中。當傳感器連接到儀表時,儀表會讀取并解釋此信息。由于傳感器的精度通常為 +/-3%,因此插入不同儀表可能產生的額外 0.2% 誤差可以忽略不計,因此使用哪種校準儀表與特定校準傳感器無關緊要。

咨詢微信客服

咨詢微信客服

QQ在線客服

客服熱線:

0I0-52867771
I3811111452
I7896005796

技術支持

I7896005796
收起

掃一掃,關注官方賬號

掃一掃,關注官方賬號

010-52867771

在線客服